最近做了永磁同步电机MTPA的控制仿真。
最大转矩电流比的原理是根据永磁同步电机转矩方程在电流方程的约束条件下,构造拉格朗日函数,求极值的问题。其基本控制框图及表达式如下:
最大转矩电流比的实质是利用直轴电流的去磁作用去产生磁阻转矩

转速环的输出作为dq轴电流的给定值:d轴电流表达式如下

q轴电流表达式如下:

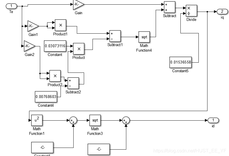
MTPA控制框图如下:

仿真结果:
1.转速(上面是MTPA,下面是id=0)

d轴电流:

电磁转矩:

三相定子电流:

仿真中给定转速不宜过大,因为MTPA是适用于基频以下调速。
最近做了永磁同步电机MTPA的控制仿真。
最大转矩电流比的原理是根据永磁同步电机转矩方程在电流方程的约束条件下,构造拉格朗日函数,求极值的问题。其基本控制框图及表达式如下:
最大转矩电流比的实质是利用直轴电流的去磁作用去产生磁阻转矩

转速环的输出作为dq轴电流的给定值:d轴电流表达式如下

q轴电流表达式如下:

MTPA控制框图如下:

仿真结果:
1.转速(上面是MTPA,下面是id=0)

d轴电流:

电磁转矩:

三相定子电流:

仿真中给定转速不宜过大,因为MTPA是适用于基频以下调速。
举报