STM32
直播中

靓仔峰

9年用户 1111经验值
擅长:可编程逻辑
私信 关注
[问答]

如何使用STM32CubeMX配置STM32L431RCT6产生PWM驱动无源蜂鸣器?

如何使用STM32CubeMX配置STM32L431RCT6产生PWM驱动无源蜂鸣器?

回帖(1)

李巍

2021-11-19 11:02:28
本篇详细的记录了如何使用STM32CubeMX配置STM32L431RCT6的通用定时器外设,产生PWM驱动无源蜂鸣器。
  1. 准备工作

硬件准备




  • 开发板
    首先需要准备一个开发板,这里我准备的是STM32L4的开发板(BearPi):









  • 蜂鸣器

这里我直接使用扩展板上的蜂鸣器,如图:





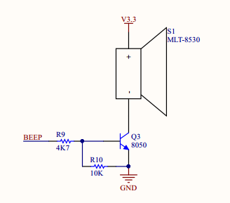
蜂鸣器的原理图如下:





软件准备




  • 需要安装好Keil - MDK及芯片对应的包,以便编译和下载生成的代码;

  Keil MDK和串口助手Serial Port Utility 的安装包都可以在文末关注公众号获取,回复关键字获取相应的安装包:





2.生成MDK工程

选择芯片型号

打开STM32CubeMX,打开MCU选择器:





搜索并选中芯片STM32L431RCT6:





配置时钟源




  • 如果选择使用外部高速时钟(HSE),则需要在System Core中配置RCC;
  • 如果使用默认内部时钟(HSI),这一步可以略过;

这里我都使用外部时钟:





配置通用定时器TIM16


  知识小卡片——STM32L431的定时器
STM32L431xx 系列有 1 个高级定时器(TIM1), 3 个通用定时器(TIM2、TIM15、TIM16),两个基本定时器(TIM6、TIM7),还有两个低功耗定时器(LPTIM1、LPTIM2)。
STM32L431 的通用 TIMx (TIM2、TIM15、TIM16)定时器功能包括:



  • 16 位(TIM15,TIM16)/32 位(TIM2)向上、向下、向上/向下自动装载计数器,注意:
    TIM15、TIM16 只支持向上(递增)计数方式;
  • 16 位可编程(可以实时修改)预分频器,计数器时钟频率的分频系数为 1~65535 之间的任
    意数值。
  • 4 个独立通道(TIMx_CH1~4, 其中 TIM15 最多 2 个通道, TIM16 最多 1 个
    通道),这些通道可以用来作为:


    • 输入捕获
    • 输出比较
    • PWM 生成(边缘或中间对齐模式)
    • 单脉冲模式输出


  • 可使用外部信号控制定时器和定时器互连的同步电路。
  • 如下事件发生时产生中断/DMA:



    • 更新:计数器向上溢出/向下溢出,计数器初始化(通过软件或者内部/外部触发)
    • 触发事件(计数器启动、停止、初始化或者由内部/外部触发计数)
    • 输入捕获
    • 输出比较


  知识小卡片结束啦~
接下来开始配置TIM16定时器的PWM功能:
首先选择TIM,选择通道1的功能,默认的CH1是PA6引脚,但是开发板上是与 PB8 连接的,所以在右边将PB8配置为TIM16_CH1:





接下来是对TIM16的参数设置,参照数据手册中的RCC时钟树,TIM16内部时钟来源是PCLK2 = 80Mhz,我们的目的是产生1khz的PWM,所以预分频系数设置为80-1,自动重载值为1000-1,得到的计时器更新中断频率即为80000000/80/1000 = 1000 Hz = 1K Hz:





其余的一些设置保持默认即可,最后配置PWM占空比:





配置时钟树

STM32L4的最高主频到80M,所以配置PLL,最后使HCLK = 80Mhz即可:





生成工程设置






代码生成设置

最后设置生成独立的初始化文件:





生成代码

点击GENERATE CODE即可生成MDK-V5工程:





3. 在MDK中编写、编译、下载用户代码

启动定时器并产生PWM

最后在main函数中开启TIM2并使能其中断(TIM2初始化代码之后):
while (1){  HAL_TIM_PWM_Start(&htim16,TIM_CHANNEL_1);  HAL_Delay(1000);  HAL_TIM_PWM_Stop(&htim16,TIM_CHANNEL_1);  HAL_Delay(1000);} 测试结果

编译下载后即可听到无源蜂鸣器开始工作。
至此,我们已经学会如何使用通用定时器产生PWM驱动蜂鸣器,下一节将讲述如何使用硬件IIC接口读写EEPROM。
举报

更多回帖

发帖
×
20
完善资料,
赚取积分