其基本测量方式是通过体表电极向检测对象施加安全的激励电流,并使用体表电极检测相应的电压变化,获取相关信息。该方法具有无创、无害、廉价的优点。
生物电阻抗技术是利用生物组织与器官的电特性及其变化规律提取与人体生理、病理状况相关的生物医学信息的检测技术。
目前针对生物阻抗测量系统的研究和文章很多,主要集中在对整个测量系统某组成部分的设计。显然,这些研究和设计工作均在某一方面对生物阻抗测量系统的精度提高做出了贡献,但是单一的方法对精度的提高有限,本文采用ADI公司的高度集成的阻抗测量芯片AD5933设计了一种精度高的阻抗测量方法,利用比例测量,DFT数字解调,软件校准和补偿四项技术,整体上提高了系统的测量精度。
比例测量方法
对电阻的测量,通常使用伏安法,生物阻抗测量也是基于伏安法的原理。即已知一个元件的电阻等于此元件两端的电压降与流过其电流的比值,RX=UX/IX。然而在实际测量中往往使用比例测量的方法,在被测回路中串入采样电阻RS,有IX=US/RS,因此:RX =UX/IX=RS×UX/US,这样就把电阻的测量转换成为两电压之比的测量,降低了对电压源US的准确度和稳定度的要求,测量结果的精确度只与参比电阻的精度有关。比例测量的具体电路非常简单,如图1所示,用一只运算放大器接成电压并联负反馈结构即可。

图1 比例法测量电阻的原理图
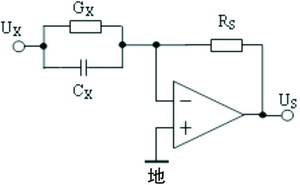
本文采用的阻抗测量芯片AD5933利用了上述比例测量的原理,测量电路如图2所示。利用DDS产生的正弦交流信号作为激励源以获得阻抗的完整信息,待测阻抗可等效为电容和电导的并联模式,即YX=GX+jCX=AX<φ。在理想状态下不考虑放大器等电路引起的幅值和相位的变化,设激励信号U1=U1msinwt,I=U1×YX,则响应信号U2=-I×RS=-U1×YX×RS=-U1m×RS×AXsin(wt+j),其中j被测电导的相位,AX为被测电导幅值,RS为参比电阻。只要将U2与U1做比较就可以得到待测阻抗的信息,避免了电压源不稳定带来的误差,测量结果的精度取决于参比电阻的精度。

图2 AD5933比例法测量生物阻抗原理图
DFT数字解调
上述响应信号U2包含了阻抗的信息,与U1进行比较可以获得阻抗的信息,但是由于U2(调制信号)是U1(载波)经过阻抗的调制得到的,U2中含有载频信息,不利于后面的阻抗信息提取,所以需将对响应信号U2解调,即去除载频w,还原为零基带信号。目前阻抗测量系统中常用的解调方式有硬件解调:整流滤波、开关解调、模拟乘法器、数字解调。模拟乘法器解调是常用的方法之一,它利用正交解调原理,具有电路简单,测量速度快且适合于较高较宽的频率范围内工作的优点。
利用乘法器正交解调的过程描述如下:假设要将上述响应信号解调,首先利用乘法器将响应信号(U2=-U1m×RS×AXsin(wt+j))与一对正交本振(U1=U1msinwt,U3= U1mcoswt)相乘(本振信号要求与载波同频同相,并且两个本振信号严格正交),然后利用积化和差公式将载频与基频分离,再通过滤波或积分运算去掉载频,将信号变为基频。
正交本振信号与上述响应信号相乘,利用三角函数里的积化和差公式,得到两路信号Uo1和Uo2,将载频信号与基带信号分离。

将上述两路信号在周期T时间上做积分并求平均值去除载频。

以上过程完成了正交解调,显然Uo1,Uo2中已经去除了载波,并且仍然包含被测电阻的实部和虚部信息,只要与电压源幅值信息比较就可以得到被测阻抗的完整信息。
类似的,AD5933也是基于正交解调的原理,对ADC采样数据做离散傅立叶变换(数字正交解调),也即1024个数组成的数字序列与正交向量相乘再求和的过程,如下式所示:

(1)
利用DFT数字正交解调与利用乘法器正交解调相比的优势在于:正交解调方法要求本振和信号载波同频同相,否则解调后的信号会产生频差和相差,不利于信号恢复。利用模拟乘法器方法解调,很难实现载波同步,甚至还要增加模拟锁相环电路,而DFT从算法上严格保证了本振和载波的同频同相。其次正交解调要求两个本振信号完全正交,否则恢复原信号时会产生虚假信号,DFT算法很好的保证两个本振严格正交。DFT算法实现了数字锁相的过程,保证了本振和载波的同频同相,简化了模拟电路,并且求和平均的过程抑制了噪声,调高了信噪比。
高精度电阻校准
AD5933将同相分量Uo1,正交分量Uo2作为结果输出,在理想情况下,不考虑放大器等电路引起的幅值和相位的变化,利用解调后同相和正交分量Uo1,Uo2结合激励信号的幅值,参比电阻的值就可以计算出阻抗的幅值和相位信息,如下式所示。

但是实际情况下,由于放大器等电路引起的幅值B和相位a的变化,测量得到的同相和正交分量为

利用这两个结果通过计算得到的幅值和相位分别为

显然存在系统误差。为了消除系统误差,本文通过测量精密电阻来校准被测电阻。假设测量精密电阻得到输出值分别为

其中CX为校准电阻的电导值,精密电阻为纯电阻不引起相位变化。同理计算校准电阻的幅值和相位得到的计算值为,

由此利用测量计算值进行比较可得被测电阻的准确值,

由此可见,只要合理的选择校准点和校准点之间的间隔,通过校准可以去除由于放大器等电路引起的幅值和相位系统误差,得到一个高精度的测量结果,这种计算的方法,由于测量条件完全相同,使得系统误差完全抵消,相比之下比基于AD8302的生物阻抗频谱测量仪的研制一文和基于虚参考点的生物阻抗测量方法一文提出的方法,对校准电阻和待测电阻采用两路电路分别测量,将很难保证两路的对称性,对精度的提高有限。
非线性补偿
如上所述,使用本系统对一组不同阻值的标准电阻进行测量,得到测量模块输出的解调结果,建立解调结果与实际阻值的对应关系,利用此对应关系可以通过查表或差值的办法,通过解调结果计算待测电阻的阻值,进一步补偿误差提高精度,这就是对系统的非线性补偿。对于控制器而言查表方法占用存储空间,而复杂的插值影响速度。本系统利用单片机作为控制器,在有限的存储空间和运算速度的条件下,采用分段线性插值的方法实现非线性补偿。
实施方法为:首先将系统测量一组标准电阻,得到的一组输出值,将输出值转换成幅值并与实际阻值一一对应的存入一组表格。当系统进行实际测量时,将实测阻抗值换算成实测幅值,即DX,查表找到DX对应的幅值所在表格的区间,在这个区间上做线性拟合,计算出实测阻抗的幅值,并返回输出。
在某个激励频率下,测量纯电阻网络时,目标内部的容性成分可以被忽略,此时,系统测量到的相角,主要由系统相移构成。将对应检测到的相角作为相位补偿值,即可通过加减运算对实测相位进行补偿。
在不同放大倍数、不同激励频率下执行上述表格生成和相位补偿的测量,就可以得到一系列表格和相位补偿值。实际测量过程中,根据放大倍数和激励频率选择相应的表格和相位补偿值,进行电阻抗值的计算和补偿,即可进一步提高系统的精度。
结果
笔者利用现有系统测量了一组由变阻箱产生的纯电阻,实测结果和电阻理论值以及相对误差列在表1中。测量条件为:测量电阻在1k到10k之间,激励频率50kHz,激励幅值1V。
表1 实测数据

结论
本文采用的阻抗测量芯片AD5933,是一款具有很高的集成度的片上系统,片上集成了DDS、12位的ADC和实现DFT算法的DSP,作为一个片上系统本身就具有抗外界噪声干扰和简化测量电路的优点。而且这款芯片从测量原理、解调原理、添加校准点等方面提高了精度,芯片本身的设计符合了设计高精度测量系统的基本要求。最后笔者通过分段线性差值的方法,利用单片机控制器的有限资源,进一步提高了系统的精度。并且通过本文所述四个部分的有机结合,有效降低了对电流源和参比电阻精度的要求,提高了系统的工艺性。最终实现了一种高精度,工艺性好,电路简单的高性能阻抗测量的方法。
其基本测量方式是通过体表电极向检测对象施加安全的激励电流,并使用体表电极检测相应的电压变化,获取相关信息。该方法具有无创、无害、廉价的优点。
生物电阻抗技术是利用生物组织与器官的电特性及其变化规律提取与人体生理、病理状况相关的生物医学信息的检测技术。
目前针对生物阻抗测量系统的研究和文章很多,主要集中在对整个测量系统某组成部分的设计。显然,这些研究和设计工作均在某一方面对生物阻抗测量系统的精度提高做出了贡献,但是单一的方法对精度的提高有限,本文采用ADI公司的高度集成的阻抗测量芯片AD5933设计了一种精度高的阻抗测量方法,利用比例测量,DFT数字解调,软件校准和补偿四项技术,整体上提高了系统的测量精度。
比例测量方法
对电阻的测量,通常使用伏安法,生物阻抗测量也是基于伏安法的原理。即已知一个元件的电阻等于此元件两端的电压降与流过其电流的比值,RX=UX/IX。然而在实际测量中往往使用比例测量的方法,在被测回路中串入采样电阻RS,有IX=US/RS,因此:RX =UX/IX=RS×UX/US,这样就把电阻的测量转换成为两电压之比的测量,降低了对电压源US的准确度和稳定度的要求,测量结果的精确度只与参比电阻的精度有关。比例测量的具体电路非常简单,如图1所示,用一只运算放大器接成电压并联负反馈结构即可。

图1 比例法测量电阻的原理图
本文采用的阻抗测量芯片AD5933利用了上述比例测量的原理,测量电路如图2所示。利用DDS产生的正弦交流信号作为激励源以获得阻抗的完整信息,待测阻抗可等效为电容和电导的并联模式,即YX=GX+jCX=AX<φ。在理想状态下不考虑放大器等电路引起的幅值和相位的变化,设激励信号U1=U1msinwt,I=U1×YX,则响应信号U2=-I×RS=-U1×YX×RS=-U1m×RS×AXsin(wt+j),其中j被测电导的相位,AX为被测电导幅值,RS为参比电阻。只要将U2与U1做比较就可以得到待测阻抗的信息,避免了电压源不稳定带来的误差,测量结果的精度取决于参比电阻的精度。

图2 AD5933比例法测量生物阻抗原理图
DFT数字解调
上述响应信号U2包含了阻抗的信息,与U1进行比较可以获得阻抗的信息,但是由于U2(调制信号)是U1(载波)经过阻抗的调制得到的,U2中含有载频信息,不利于后面的阻抗信息提取,所以需将对响应信号U2解调,即去除载频w,还原为零基带信号。目前阻抗测量系统中常用的解调方式有硬件解调:整流滤波、开关解调、模拟乘法器、数字解调。模拟乘法器解调是常用的方法之一,它利用正交解调原理,具有电路简单,测量速度快且适合于较高较宽的频率范围内工作的优点。
利用乘法器正交解调的过程描述如下:假设要将上述响应信号解调,首先利用乘法器将响应信号(U2=-U1m×RS×AXsin(wt+j))与一对正交本振(U1=U1msinwt,U3= U1mcoswt)相乘(本振信号要求与载波同频同相,并且两个本振信号严格正交),然后利用积化和差公式将载频与基频分离,再通过滤波或积分运算去掉载频,将信号变为基频。
正交本振信号与上述响应信号相乘,利用三角函数里的积化和差公式,得到两路信号Uo1和Uo2,将载频信号与基带信号分离。

将上述两路信号在周期T时间上做积分并求平均值去除载频。

以上过程完成了正交解调,显然Uo1,Uo2中已经去除了载波,并且仍然包含被测电阻的实部和虚部信息,只要与电压源幅值信息比较就可以得到被测阻抗的完整信息。
类似的,AD5933也是基于正交解调的原理,对ADC采样数据做离散傅立叶变换(数字正交解调),也即1024个数组成的数字序列与正交向量相乘再求和的过程,如下式所示:

(1)
利用DFT数字正交解调与利用乘法器正交解调相比的优势在于:正交解调方法要求本振和信号载波同频同相,否则解调后的信号会产生频差和相差,不利于信号恢复。利用模拟乘法器方法解调,很难实现载波同步,甚至还要增加模拟锁相环电路,而DFT从算法上严格保证了本振和载波的同频同相。其次正交解调要求两个本振信号完全正交,否则恢复原信号时会产生虚假信号,DFT算法很好的保证两个本振严格正交。DFT算法实现了数字锁相的过程,保证了本振和载波的同频同相,简化了模拟电路,并且求和平均的过程抑制了噪声,调高了信噪比。
高精度电阻校准
AD5933将同相分量Uo1,正交分量Uo2作为结果输出,在理想情况下,不考虑放大器等电路引起的幅值和相位的变化,利用解调后同相和正交分量Uo1,Uo2结合激励信号的幅值,参比电阻的值就可以计算出阻抗的幅值和相位信息,如下式所示。

但是实际情况下,由于放大器等电路引起的幅值B和相位a的变化,测量得到的同相和正交分量为

利用这两个结果通过计算得到的幅值和相位分别为

显然存在系统误差。为了消除系统误差,本文通过测量精密电阻来校准被测电阻。假设测量精密电阻得到输出值分别为

其中CX为校准电阻的电导值,精密电阻为纯电阻不引起相位变化。同理计算校准电阻的幅值和相位得到的计算值为,

由此利用测量计算值进行比较可得被测电阻的准确值,

由此可见,只要合理的选择校准点和校准点之间的间隔,通过校准可以去除由于放大器等电路引起的幅值和相位系统误差,得到一个高精度的测量结果,这种计算的方法,由于测量条件完全相同,使得系统误差完全抵消,相比之下比基于AD8302的生物阻抗频谱测量仪的研制一文和基于虚参考点的生物阻抗测量方法一文提出的方法,对校准电阻和待测电阻采用两路电路分别测量,将很难保证两路的对称性,对精度的提高有限。
非线性补偿
如上所述,使用本系统对一组不同阻值的标准电阻进行测量,得到测量模块输出的解调结果,建立解调结果与实际阻值的对应关系,利用此对应关系可以通过查表或差值的办法,通过解调结果计算待测电阻的阻值,进一步补偿误差提高精度,这就是对系统的非线性补偿。对于控制器而言查表方法占用存储空间,而复杂的插值影响速度。本系统利用单片机作为控制器,在有限的存储空间和运算速度的条件下,采用分段线性插值的方法实现非线性补偿。
实施方法为:首先将系统测量一组标准电阻,得到的一组输出值,将输出值转换成幅值并与实际阻值一一对应的存入一组表格。当系统进行实际测量时,将实测阻抗值换算成实测幅值,即DX,查表找到DX对应的幅值所在表格的区间,在这个区间上做线性拟合,计算出实测阻抗的幅值,并返回输出。
在某个激励频率下,测量纯电阻网络时,目标内部的容性成分可以被忽略,此时,系统测量到的相角,主要由系统相移构成。将对应检测到的相角作为相位补偿值,即可通过加减运算对实测相位进行补偿。
在不同放大倍数、不同激励频率下执行上述表格生成和相位补偿的测量,就可以得到一系列表格和相位补偿值。实际测量过程中,根据放大倍数和激励频率选择相应的表格和相位补偿值,进行电阻抗值的计算和补偿,即可进一步提高系统的精度。
结果
笔者利用现有系统测量了一组由变阻箱产生的纯电阻,实测结果和电阻理论值以及相对误差列在表1中。测量条件为:测量电阻在1k到10k之间,激励频率50kHz,激励幅值1V。
表1 实测数据

结论
本文采用的阻抗测量芯片AD5933,是一款具有很高的集成度的片上系统,片上集成了DDS、12位的ADC和实现DFT算法的DSP,作为一个片上系统本身就具有抗外界噪声干扰和简化测量电路的优点。而且这款芯片从测量原理、解调原理、添加校准点等方面提高了精度,芯片本身的设计符合了设计高精度测量系统的基本要求。最后笔者通过分段线性差值的方法,利用单片机控制器的有限资源,进一步提高了系统的精度。并且通过本文所述四个部分的有机结合,有效降低了对电流源和参比电阻精度的要求,提高了系统的工艺性。最终实现了一种高精度,工艺性好,电路简单的高性能阻抗测量的方法。
举报