电力电子技术
登录
直播中
龙慧
7年用户
149经验值
私信
关注
[问答]
光电二极管传感器电路要怎么优化?怎么设计?
开启该帖子的消息推送
原理图
信号完整性
放大器
模拟电子
光电子
光电二极管是很多光学测量中最常用的传感器类型之一。诸如吸收和发射光谱、色彩测量、浑浊度、气体探测等应用均有赖于光电二极管实现精密光学测量。
光电二极管产生与照射到活动区的光量成比例的电流。大多数测量应用都需要用到跨阻放大器,以便将光电二极管电流转换为输出电压。
相关的应用
电路
很多,那么光电二极管传感器电路要怎么优化?
回帖
(1)
李丕海
2021-3-5 20:39:36
光电二极管产生与照射到活动区的光量成比例的电流。大多数测量应用都需要用到跨阻放大器,以便将光电二极管电流转换为输出电压。图1显示电路的原理示意图。
图1. 简单跨阻放大器电路
该电路的光电二极管在光伏模式下工作,其中运算放大器保持光电二极管上的电压为0 V。这是精密应用中最常见的配置。光电二极管的电压与电流关系曲线十分类似于常规二极管,但前者的整条曲线会随着光照水平的变化而向上或向下平移。图2a显示典型的光电二极管传递函数。图2b是传递函数放大后的图形,表明哪怕在没有光的情况下,光电二极管也会输出少量电流。这种暗电流会随着光电二极管上的反向电压增加而上升。大部分制造商在反向电压为10 mV的前提下给出光电二极管的暗电流。
图2. 典型光电二极管传递函数
光照射到光电二极管的活动区后,电流从阴极流向阳极。理想情况下,所有的光电二极管电流都流经图1中的反馈电阻,产生数值等于光电二极管电流乘以反馈电阻的反馈电压。该电路在原理上很简单,但若要系统具备最佳性能则必须解决一些难题。
直流考虑因素
第一个难题是选择直流规格匹配应用要求的运算放大器。对大部分应用来说,低输入失调电压是最重要的规格。放大器输出端存在输入失调电压,该失调电压会增加系统总误差;而在光电二极管放大器中,它还会产生其他误差。光电二极管上存在输入失调电压,产生更多暗电流,进一步增加系统失调误差。通过软件校准、交流耦合——或者两者兼用——消除初始直流失调,但较大的失调误差会缩小系统动态范围。幸运的是,输入失调电压在几百mV甚至几十mV的范围内,有大量的运算放大器可供选择。
第二重要的直流规格是运算放大器的输入漏电流。电流进入运算放大器输入端,或者进入反馈电阻以外的任何地方,都会产生测量误差。具有零输入偏置电流的运算放大器是不存在的,但某些CMOS或JFET输入运算放大器非常接近这个数值。例如,在室温下,AD8615的最大输入偏置电流为1 pA。AD549最大输入偏置电流为60 fA,该数值得到保证并经过生产测试。FET输入放大器的输入偏置电流随温度升高而呈指数上升。很多运算放大器提供85°C或125°C下的规格;但如果未提供,则一种较好的近似是温度每升高十度,电流就翻倍。
另一个难题是设计电路并进行布局,从而最大程度降低外部漏电流路径——漏电流会影响低输入偏置电流运算放大器性能。最常用的外部漏电流路径是印刷电路板本身。例如,图3显示图1中光电二极管放大器的一种可行布局。粉红色的走线表示 5 V供电轨,为放大器供电并将电能输送至电路板的其余部分。如果在 5 V走线以及搭载光电二极管电流的走线之间电阻等于5 G(图3中以RL表示),那么1 nA电流将从 5 V走线流入放大器。显然,这与应用中仔细选择1 pA运算放大器的目标相违背。最大程度缩短外部漏电流路径的一种方法是增加搭载光电二极管电流的走线与任何其他走线之间的电阻。这可能如同在走线周围加入一个较大的路由禁区以便增加与其他走线之间距离那样方便。在某些极端应用中,有的工程师会一并取消PCB走线,将光电二极管引线暴露在空气中并与运算放大器输入端引脚直接相连。
图3. 带漏电流路径的光电二极管布局
防止外部漏电流的另一种方法是在搭载光电二极管电流的走线旁布局一个保护走线,并确保两条走线均驱动至相同的电压。图4显示搭载光电二极管电流的网络周围的保护走线。 5 V走线产生的漏电流随后通过RL流入保护走线,而非流入放大器。在该电路中,保护走线和输入走线之间的压差仅与运算放大器的输入失调电压有关——这就是为什么要选用低输入失调电压放大器的又一个原因。
图4. 使用保护走线降低外部漏电流
交流考虑因素
虽然大部分精密光电二极管应用的工作速率较低,但我们依然需要保证针对该应用,系统具有足够的交流性能。这里,两个最大的问题是信号带宽(或闭环带宽)和噪声带宽。
闭环带宽取决于放大器的开环带宽、增益电阻和总输入电容。光电二极管输入电容范围可从数pF(高速光电二极管)到几千pF(面积极大的精密光电二极管)。然而,在运算放大器的输入端加入电容会使它变得不稳定,除非在反馈电阻上添加电容进行补偿。反馈电容限制系统的闭环带宽。可以使用等式1计算导致45°相位裕量的最大可能闭环带宽。
其中:
fU 是放大器的单位增益频率。
RF 是反馈电阻。
CIN 是输入电容,包括二极管电容和电路板上的其他所有寄生电容等。
CM 是运算放大器的共模电容。
CD 是运算放大器的差分电容。
例如,假设应用中的光电二极管电容为15 pF且跨阻增益为1 M,则等式1预计您将需要单位增益带宽约为95 MHz的放大器,才能获得1 MHz信号带宽。这是相位裕量为45°时的情况,此时在信号阶跃发生变化时会产生峰化。您可能希望通过设计60°或更高的相位裕量来降低峰化,这便要求使用速度更快的放大器。因此,诸如ADA4817-1等具有20 pA最大输入偏置电流和400 MHz左右单位增益频率的器件适用于高增益光电二极管应用,甚至对中等带宽的应用也同样适用。
在多数系统中,光电二极管电容占总输入电容的绝大部分,但某些应用在选择极低输入电容的运算放大器时需分外仔细。为了解决这个问题,某些运算放大器提供特殊的引脚排列,以降低输入电容。例如,图5显示ADA4817-1s引脚排列,可将运算放大器输出路由至反相输入的相邻引脚。
图5. ADA4817-1引脚排列针对低寄生电容优化
采用光电二极管进行设计时,系统噪声通常是又一个难题。输出噪声主要由放大器输入电压噪声和反馈电阻约翰逊噪声导致。来自反馈电阻的噪声出现在输出端,且无额外的放大效应。如果增加电阻值以便放大光电二极管电流,则增益电阻导致的噪声将仅增加电阻值增加量的平方根。实际上,这意味着光电二极管放大器增益越大越有好处,因为若采用第二个放大器级,则噪声会随着增益的增加而线性增加。
放大器输出噪声等于输入电压噪声乘以放大器噪声增益。噪声增益不仅由反馈电阻确定,同时还由反馈和输入电容确定,因此它在整个频率范围内是变化的。图6显示放大器噪声增益与频率关系的典型曲线,并叠加了闭环增益供参考。可从该曲线中了解到两件事:输出噪声在某些频率下会增加,以及频率范围——在该范围内噪声峰值高于放大器闭环截止频率。
图6. 光电二极管放大器的噪声增益会在较高的频率下增加
由于无法利用该带宽,因此可以采用设置为放大器信号带宽的低通滤波器来降低该噪声。
采
用可编程增益扩展动态范围
由于反馈电阻的约翰逊噪声随电阻的平方根值而增加,因此相比于使用第二个放大器级,光电二极管放大器中的增益越高越好。如图7所示,通过向光电二极管放大器中加入可编程增益,便可使该想法更进一步。
图7. 可编程增益光电二极管放大器概念
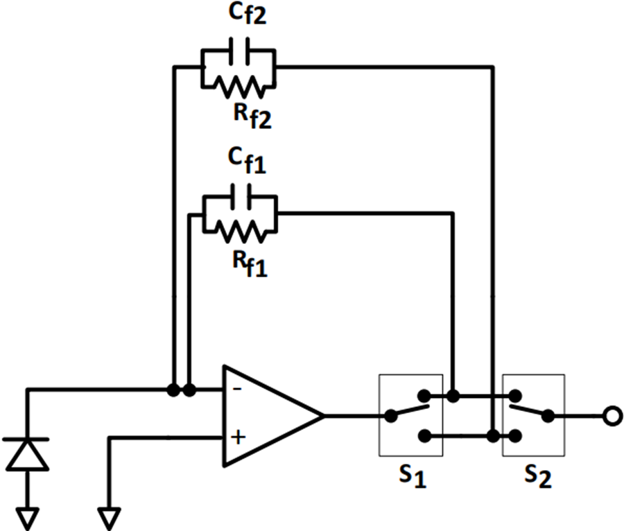
开关S1选择所需的反馈路径,因此您可以为不同信号选择最优增益。不幸的是,模拟开关的导通电阻会使电路产生增益误差。该导通电阻将随施加的电压、温度等的变化而发生改变,因此您必须找到将其从电路消除的方法。图8显示如何使用两组开关移除反馈环路中导通电阻产生的误差。该电路在反馈环路内部有一个开关,如图7所示;但开关S2将电路输出直接与增益电阻相连,而不管放大器输出电压。它可以消除由于电流流过开关S1而产生的任何增益误差。使用该电路的代价之一是输出不再具有与放大器输出有关的低阻抗,因为它包括多路复用器S2的导通电阻。如果下一级具有高阻抗输入(比如采用ADC驱动器),那么这通常没什么问题。
图8. 使用两组开关降低环路内额外电阻产生的误差
使用调制和同步检测降低噪声
很多精密应用都需测量通过样本吸收或反射的直流光照水平。
虽然某些应用允许对全部环境光进行屏蔽,很多其他系统(主要在工业环境中)不得不暴露在环境光下。此时,可以调制光源并使用同步检测,使您的信号远离低频频谱;而电气干扰和光学干扰在低频频谱中最为严重。最简单的调制方式是快速开关光源。取决于具体光源,可对其进行电子调制,或者像某些较老的仪器仪表那样使用机械斩波器在给定速率下阻挡光线。
例如,如果您对测量某种物质的光吸收并确定其浓度感兴趣,那么您可以对光源进行数kHz斩波。图9显示进行斩波后,测量结果不受大多数环境中普遍存在的低频光污染影响;这类环境的例子有:一天内不同时刻的环境光变化、50 Hz/60 Hz荧光灯等。
图9. 对输入信号进行斩波可将信息移入斩波频率内,远离环境噪声
由于调制信号频率是可控的,因此可以利用相同的时钟同步解调接收到的光。图10中的电路是一个非常简单的同步解调器。光电二极管放大器输出端的电压交流耦合,然后以可编程增益 1和–1经放大器传输。增益开关经同步处理,可在预期开灯的确切时刻将增益设为 1,并在预期关灯的时刻设为–1。理想情况下,输出将是直流电压,并与光脉冲的幅度有关。低通滤波器抑制一切与调制时钟不同步的信号。低通滤波器的截止频率等于调制频率周围的带通滤波器宽度。例如,假设调制频率为5 kHz,并且采用带宽为10 Hz的低通滤波器,则电路输出可将信号从4.99 kHz传输至5.01 kHz。降低低通滤波器带宽可获得更好的抑制效果,但代价是建立时间更长。
图10. 同步检测电路One
图9还显示了使用斩波需注意的另一点。斩波产生的波形并不是频域内单一的线条(要求使用正弦波),而是斩波频率下的线条和其奇次谐波。斩波频率奇次谐波处的任何噪声都将以最小程度的衰减出现在输出端。通过使用正弦波调制可将其完全消除,但需要用到更为复杂或成本更高的电路。另一种解决方案是选择一个罕见的基波频率,其谐波不符合任何已知的干扰源。您还可在固件内实现图10中的相同功能。您可以根据调制时钟同步采样斩波光信号,并使用数字信号处理技术提取目标频率的幅度信息。
结论
光电二极管放大器是大多数精密光学测量系统的重要构建模块。选择正确的运算放大器很重要,是获得最佳系统性能的第一步。使用其他性能增强技术——比如可编程增益和同步检测——有助于增加动态范围并抑制噪声。
光电二极管产生与照射到活动区的光量成比例的电流。大多数测量应用都需要用到跨阻放大器,以便将光电二极管电流转换为输出电压。图1显示电路的原理示意图。
图1. 简单跨阻放大器电路
该电路的光电二极管在光伏模式下工作,其中运算放大器保持光电二极管上的电压为0 V。这是精密应用中最常见的配置。光电二极管的电压与电流关系曲线十分类似于常规二极管,但前者的整条曲线会随着光照水平的变化而向上或向下平移。图2a显示典型的光电二极管传递函数。图2b是传递函数放大后的图形,表明哪怕在没有光的情况下,光电二极管也会输出少量电流。这种暗电流会随着光电二极管上的反向电压增加而上升。大部分制造商在反向电压为10 mV的前提下给出光电二极管的暗电流。
图2. 典型光电二极管传递函数
光照射到光电二极管的活动区后,电流从阴极流向阳极。理想情况下,所有的光电二极管电流都流经图1中的反馈电阻,产生数值等于光电二极管电流乘以反馈电阻的反馈电压。该电路在原理上很简单,但若要系统具备最佳性能则必须解决一些难题。
直流考虑因素
第一个难题是选择直流规格匹配应用要求的运算放大器。对大部分应用来说,低输入失调电压是最重要的规格。放大器输出端存在输入失调电压,该失调电压会增加系统总误差;而在光电二极管放大器中,它还会产生其他误差。光电二极管上存在输入失调电压,产生更多暗电流,进一步增加系统失调误差。通过软件校准、交流耦合——或者两者兼用——消除初始直流失调,但较大的失调误差会缩小系统动态范围。幸运的是,输入失调电压在几百mV甚至几十mV的范围内,有大量的运算放大器可供选择。
第二重要的直流规格是运算放大器的输入漏电流。电流进入运算放大器输入端,或者进入反馈电阻以外的任何地方,都会产生测量误差。具有零输入偏置电流的运算放大器是不存在的,但某些CMOS或JFET输入运算放大器非常接近这个数值。例如,在室温下,AD8615的最大输入偏置电流为1 pA。AD549最大输入偏置电流为60 fA,该数值得到保证并经过生产测试。FET输入放大器的输入偏置电流随温度升高而呈指数上升。很多运算放大器提供85°C或125°C下的规格;但如果未提供,则一种较好的近似是温度每升高十度,电流就翻倍。
另一个难题是设计电路并进行布局,从而最大程度降低外部漏电流路径——漏电流会影响低输入偏置电流运算放大器性能。最常用的外部漏电流路径是印刷电路板本身。例如,图3显示图1中光电二极管放大器的一种可行布局。粉红色的走线表示 5 V供电轨,为放大器供电并将电能输送至电路板的其余部分。如果在 5 V走线以及搭载光电二极管电流的走线之间电阻等于5 G(图3中以RL表示),那么1 nA电流将从 5 V走线流入放大器。显然,这与应用中仔细选择1 pA运算放大器的目标相违背。最大程度缩短外部漏电流路径的一种方法是增加搭载光电二极管电流的走线与任何其他走线之间的电阻。这可能如同在走线周围加入一个较大的路由禁区以便增加与其他走线之间距离那样方便。在某些极端应用中,有的工程师会一并取消PCB走线,将光电二极管引线暴露在空气中并与运算放大器输入端引脚直接相连。
图3. 带漏电流路径的光电二极管布局
防止外部漏电流的另一种方法是在搭载光电二极管电流的走线旁布局一个保护走线,并确保两条走线均驱动至相同的电压。图4显示搭载光电二极管电流的网络周围的保护走线。 5 V走线产生的漏电流随后通过RL流入保护走线,而非流入放大器。在该电路中,保护走线和输入走线之间的压差仅与运算放大器的输入失调电压有关——这就是为什么要选用低输入失调电压放大器的又一个原因。
图4. 使用保护走线降低外部漏电流
交流考虑因素
虽然大部分精密光电二极管应用的工作速率较低,但我们依然需要保证针对该应用,系统具有足够的交流性能。这里,两个最大的问题是信号带宽(或闭环带宽)和噪声带宽。
闭环带宽取决于放大器的开环带宽、增益电阻和总输入电容。光电二极管输入电容范围可从数pF(高速光电二极管)到几千pF(面积极大的精密光电二极管)。然而,在运算放大器的输入端加入电容会使它变得不稳定,除非在反馈电阻上添加电容进行补偿。反馈电容限制系统的闭环带宽。可以使用等式1计算导致45°相位裕量的最大可能闭环带宽。
其中:
fU 是放大器的单位增益频率。
RF 是反馈电阻。
CIN 是输入电容,包括二极管电容和电路板上的其他所有寄生电容等。
CM 是运算放大器的共模电容。
CD 是运算放大器的差分电容。
例如,假设应用中的光电二极管电容为15 pF且跨阻增益为1 M,则等式1预计您将需要单位增益带宽约为95 MHz的放大器,才能获得1 MHz信号带宽。这是相位裕量为45°时的情况,此时在信号阶跃发生变化时会产生峰化。您可能希望通过设计60°或更高的相位裕量来降低峰化,这便要求使用速度更快的放大器。因此,诸如ADA4817-1等具有20 pA最大输入偏置电流和400 MHz左右单位增益频率的器件适用于高增益光电二极管应用,甚至对中等带宽的应用也同样适用。
在多数系统中,光电二极管电容占总输入电容的绝大部分,但某些应用在选择极低输入电容的运算放大器时需分外仔细。为了解决这个问题,某些运算放大器提供特殊的引脚排列,以降低输入电容。例如,图5显示ADA4817-1s引脚排列,可将运算放大器输出路由至反相输入的相邻引脚。
图5. ADA4817-1引脚排列针对低寄生电容优化
采用光电二极管进行设计时,系统噪声通常是又一个难题。输出噪声主要由放大器输入电压噪声和反馈电阻约翰逊噪声导致。来自反馈电阻的噪声出现在输出端,且无额外的放大效应。如果增加电阻值以便放大光电二极管电流,则增益电阻导致的噪声将仅增加电阻值增加量的平方根。实际上,这意味着光电二极管放大器增益越大越有好处,因为若采用第二个放大器级,则噪声会随着增益的增加而线性增加。
放大器输出噪声等于输入电压噪声乘以放大器噪声增益。噪声增益不仅由反馈电阻确定,同时还由反馈和输入电容确定,因此它在整个频率范围内是变化的。图6显示放大器噪声增益与频率关系的典型曲线,并叠加了闭环增益供参考。可从该曲线中了解到两件事:输出噪声在某些频率下会增加,以及频率范围——在该范围内噪声峰值高于放大器闭环截止频率。
图6. 光电二极管放大器的噪声增益会在较高的频率下增加
由于无法利用该带宽,因此可以采用设置为放大器信号带宽的低通滤波器来降低该噪声。
采
用可编程增益扩展动态范围
由于反馈电阻的约翰逊噪声随电阻的平方根值而增加,因此相比于使用第二个放大器级,光电二极管放大器中的增益越高越好。如图7所示,通过向光电二极管放大器中加入可编程增益,便可使该想法更进一步。
图7. 可编程增益光电二极管放大器概念
开关S1选择所需的反馈路径,因此您可以为不同信号选择最优增益。不幸的是,模拟开关的导通电阻会使电路产生增益误差。该导通电阻将随施加的电压、温度等的变化而发生改变,因此您必须找到将其从电路消除的方法。图8显示如何使用两组开关移除反馈环路中导通电阻产生的误差。该电路在反馈环路内部有一个开关,如图7所示;但开关S2将电路输出直接与增益电阻相连,而不管放大器输出电压。它可以消除由于电流流过开关S1而产生的任何增益误差。使用该电路的代价之一是输出不再具有与放大器输出有关的低阻抗,因为它包括多路复用器S2的导通电阻。如果下一级具有高阻抗输入(比如采用ADC驱动器),那么这通常没什么问题。
图8. 使用两组开关降低环路内额外电阻产生的误差
使用调制和同步检测降低噪声
很多精密应用都需测量通过样本吸收或反射的直流光照水平。
虽然某些应用允许对全部环境光进行屏蔽,很多其他系统(主要在工业环境中)不得不暴露在环境光下。此时,可以调制光源并使用同步检测,使您的信号远离低频频谱;而电气干扰和光学干扰在低频频谱中最为严重。最简单的调制方式是快速开关光源。取决于具体光源,可对其进行电子调制,或者像某些较老的仪器仪表那样使用机械斩波器在给定速率下阻挡光线。
例如,如果您对测量某种物质的光吸收并确定其浓度感兴趣,那么您可以对光源进行数kHz斩波。图9显示进行斩波后,测量结果不受大多数环境中普遍存在的低频光污染影响;这类环境的例子有:一天内不同时刻的环境光变化、50 Hz/60 Hz荧光灯等。
图9. 对输入信号进行斩波可将信息移入斩波频率内,远离环境噪声
由于调制信号频率是可控的,因此可以利用相同的时钟同步解调接收到的光。图10中的电路是一个非常简单的同步解调器。光电二极管放大器输出端的电压交流耦合,然后以可编程增益 1和–1经放大器传输。增益开关经同步处理,可在预期开灯的确切时刻将增益设为 1,并在预期关灯的时刻设为–1。理想情况下,输出将是直流电压,并与光脉冲的幅度有关。低通滤波器抑制一切与调制时钟不同步的信号。低通滤波器的截止频率等于调制频率周围的带通滤波器宽度。例如,假设调制频率为5 kHz,并且采用带宽为10 Hz的低通滤波器,则电路输出可将信号从4.99 kHz传输至5.01 kHz。降低低通滤波器带宽可获得更好的抑制效果,但代价是建立时间更长。
图10. 同步检测电路One
图9还显示了使用斩波需注意的另一点。斩波产生的波形并不是频域内单一的线条(要求使用正弦波),而是斩波频率下的线条和其奇次谐波。斩波频率奇次谐波处的任何噪声都将以最小程度的衰减出现在输出端。通过使用正弦波调制可将其完全消除,但需要用到更为复杂或成本更高的电路。另一种解决方案是选择一个罕见的基波频率,其谐波不符合任何已知的干扰源。您还可在固件内实现图10中的相同功能。您可以根据调制时钟同步采样斩波光信号,并使用数字信号处理技术提取目标频率的幅度信息。
结论
光电二极管放大器是大多数精密光学测量系统的重要构建模块。选择正确的运算放大器很重要,是获得最佳系统性能的第一步。使用其他性能增强技术——比如可编程增益和同步检测——有助于增加动态范围并抑制噪声。
举报
更多回帖
rotate(-90deg);
回复
相关问答
原理图
信号完整性
放大器
模拟电子
光电子
精密
光电二极管
传感器
电路
如何进行
优化
设计
2020-05-19
4949
是否可以将
光电二极管
并连起来看作一个
二极管
2019-02-12
4271
请问如何去设计
光电二极管
前置放大
电路
?
2021-04-21
6447
找不到
光电二极管
!!!!
2013-04-22
15787
关于
光电二极管
的供电问题
2017-11-23
7213
光电二极管
信号采集
2019-11-13
3295
如何最有效地使用
光电二极管
和
光电晶体管
2021-01-12
1161
基于四象限
光电二极管
的高精度位移测量系统
2019-07-25
3307
关于
光电二极管
看完你就懂了
2021-04-06
2440
如何测量
光电二极管
的好坏?
2021-04-09
1982
发帖
登录/注册
20万+
工程师都在用,
免费
PCB检查工具
无需安装、支持浏览器和手机在线查看、实时共享
查看
点击登录
登录更多精彩功能!
首页
论坛版块
小组
免费开发板试用
ebook
直播
搜索
登录
×
20
完善资料,
赚取积分