资料在文末下载
摘要:本系统由
单片机系统、矩阵键盘、LED显示和报警系统组成。系统能完成开锁、超时报警、超次锁定、管理员解密、修改用户密码基本的密码锁的功能。除上述基本的密码锁功能外,还具有调电存储、声光提示等功能,依据实际的情况还可以添加遥控功能。本系统成本低廉,功能实用
关键词:STC89C52,AT24C02,
电子密码锁,矩阵键盘
一、 引言
随着人们生活水平的提高,如何实现家庭防盗这一问题也变的尤其的突出,传统的机械锁由于其构造的简单,被撬的事件屡见不鲜,电子锁由于其保密性高,使用灵活性好,安全系数高,受到了广大用户的亲呢。
设计本课题时构思了两种方案:一种是用以AT89s51为核心的单片机控制方案;另一种是用以74LS112双JK触发器构成的数字逻辑
电路控制方案。考虑到数字电路方案原理过于简单,而且不能满足现在的安全需求,所以本文采用前一种方案。
二、方案论证与比较
方案一:采用数字电路控制。其原理方框图如图1-1所示。

用数字密码锁电路的好处就是设计简单。用以74LS112双JK触发器构成的数字逻辑电路作为密码锁的核心控制,共设了9个用户输入键,其中只有4个是有效的密码按键,其它的都是干扰按键,若按下干扰键,键盘输入电路自动清零,原先输入的密码无效,需要重新输入;如果用户输入密码的时间超过40秒(一般情况下,用户不会超过40秒,若用户觉得不便,还可以修改)电路将报警80秒,若电路连续报警三次,电路将锁定键盘5分钟,防止他人的非法操作。
电路由两大部分组成:密码锁电路和备用
电源(UPS),其中设置UPS电源是为了防止因为停电造成的密码锁电路失效,使用户免遭麻烦。
密码锁电路包含:键盘输入、密码修改、密码检测、开锁电路、执行电路、报警电路、键盘输入次数锁定电路。
方案二:采用一种是用以AT89S51为核心的单片机控制方案。利用单片机灵活的编程设计和丰富的IO端口,及其控制的准确性,不但能实现基本的密码锁功能,还能添加调电存储、声光提示甚至添加遥控控制功能。其原理如图1-2所示。

通过比较以上两种方案,单片机方案有较大的活动空间,不但能实现所要求的功能而且能在很大的程度上扩展功能,而且还可以方便的对系统进行升级,所以我们采用后一种方案。
三、电路的功能单元设计
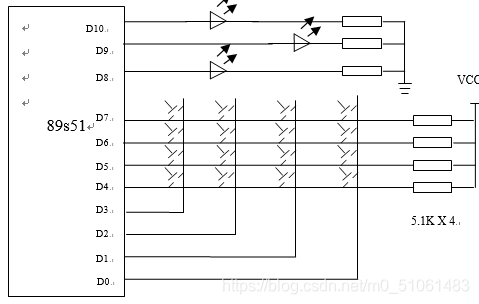
1.开锁机构
通过单片机送给开锁执行机构,电路驱动电磁锁吸合,从而达到开锁的目的。其原理如图2-1所示。
当用户输入的密码正确而且是在规定的时间(普通用户要求在12s内输入正确的密码,管理员要求在5s输入正确的密码)输入的话,
电路驱动和开锁两级组成。由D5、R1、T10组成驱动电路,其中T10可以选择普通的小功率三极管如9014、9018都可以满足要求。D5作为开锁的提示;由D6、C24、T11组成。其中D6、C24是为了消除电磁锁可能产生的反向高电压以及可能产生的电磁干扰。T11可选用中功率的三极管如8050,电磁锁的选用要视情况而定,但是吸合力要足够且由一定的余量。
在本次设计中,基于节省材料的原则,暂时用发光二极管代替电磁锁,发光管亮,表示开锁;灭,表示没有开锁。
2.按键电路设计
由于设计要求使用矩阵键盘,所以本设计就采用行列式键盘,同时也能减少键盘与单片机接口时所占用的I/O线的数目,在按键比较多的时候,通常采用这样方法。其原理如图2-3所示。

每一条水平(行线)与垂直线(列线)的交叉处不相通,而是通过一个按键来连通,利用这种行列式矩阵结构只需要N条行线和M条列线,即可组成具有N×M个按键的键盘。
在这种行列式矩阵键盘非键盘编码的单片机系统中,键盘处理程序首先执行等待按键并确认有无按键按下的程序段。
当确认有按键按下后,下一步就要识别哪一个按键按下。对键的识别通常有两种方法:一种是常用的逐行扫描查询法;另一种是速度较快的线反转法。
对照图2-3所示的44键盘,说明线反转个工作原理。