模拟技术
Tom Gross
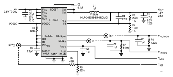
具有电流和温度监视功能的LTC3626同步降压型稳压器是凌力尔特的单片式稳压器 SWITCHER+™ 产品线的首款器件。该器件是一款高效率、单片式同步降压型开关稳压器,其能够采用 3.6V 至 20V 的输入电压提供 2.5A的最大输出电流 (电路示于图 1)。LTC3626采用一种独特的受控导通时间/恒定频率、电流模式架构,从而使其非常适合于低占空比应用和高频操作,同时可对负载瞬变做出快速响应 (见图 2)。另外,此器件还拥有模式设定、跟踪和同步化功能。LTC3626的 3mm x 4mm 封装具有非常低的热阻抗,甚至在向负载输送最大功率时,也能在未采用外部散热器的情况下运作。

图 1:具电流和温度监视功能的 20V 最大输入、2.5A、2MHz 降压型稳压器

图 2:图 1 所示电路的负载阶跃响应
除了其卓越的稳压能力外, LTC3626 的电流和温度监视功能则更为突出。它们仅需极少的额外组件便可提供监视和控制功能。
输出 / 输入电流检测
LTC3626在开关的导通时间里通过同步开关来检测输出电流,并在 IMONOUT 引脚上产生一个成比例的电流 (按 1/16000 的比例)。在图 3 中,通过将 IMONOUT引脚的测量输出与计算值进行比较,显示了IMONOUT输出的准确度。在大部分的输出电流范围内,误差皆保持在低于1%的水平。

图 3:输出电流与输出电流监视器的电流之关系
类似地,将这同一种检测电流信号与降压型稳压器的占空比相组合,可在 IMONIN 引脚上产生一个与输入电流成比例的电流(同样是按1/16000的比例)。在很宽的电流范围内实现了一个优于5%的精准度(见图4)。

图 4:输入电流与输入电流监视器的电流之关系
两个电流信号均连接至参考于1.2V的内部电压放大器,其在触发时可关断器件。因此,只需简单地分别连接一个电阻器至 IMONIN 或 IMONOUT 引脚 (如图 1所示),就能设定输入和输出电流限值。电流限值与电阻器之间的关系为:

例如:10k电阻器将设定一个约为2A的电流限值。
这种简单的方案可提供输入和输出电流限值的监视和主动控制,后者可通过外部控制电路 (比如:一个 DAC和少量的无源组件)来实现。
温度检测
LTC3626 可产生一个与其自身芯片温度成比例的电压,该电压可用于设定最大温度限值。在室温条件下,温度监视器引脚 (TMON) 上的电压通常为 1.5V。如需计算芯片温度TJ,可将TMON电压与200°K/V的温度监视器电压至温度转换因子相乘,并减去 273°C的偏移。此外,LTC3626 还具有一个温度限值比较器,由温度限值设定引脚TSET以及TMON引脚为其馈送信号。于是,通过给TSET 引脚施加一个电压,便可根据下式设定最大温度限值:

选择一个 125°C 的最大温度限值等同于 TSET 引脚上大约 2V 的设定值,IC 将在芯片温度 TJ 达到该限值 时立即关断。
结论
LTC3626 将电流和温度监视功能与一个高性能降压型稳压器整合在紧凑型封装之中。一个微处理器或其他外部控制逻辑电路可通过易于使用的输入和输出电流及温度监视器引脚实施状况监控,而且该器件还能够通过在温度设定限值引脚上设定一个门限电压来实现自身的关断。
审核编辑:郭婷
全部0条评论
快来发表一下你的评论吧 !