消费电子产品中的可充电电池市场已经达到了稳定的成熟水平,设计电池充电器只需要在设计中加入专用电池充电器IC即可。这是因为消费电子产品中的电池遵循陈旧的标准,具有流行的配置、浮动电压、充电电流、输出电压和充电算法。即便如此,对不适合这些标准模具的电池的需求也在不断增长。这种需求在很大程度上是由工业绿色倡议推动的,再加上医疗和其他专业领域向便携式设备的普遍转变。
专用充电器 IC 无法跟上当前应用多样性的爆炸式增长。越来越多的电池设置种类繁多,从千瓦供电的室内叉车和隔离医疗设备到微功率能量收集工业传感器。许多应用对最佳储能有独特的要求,这是现有充电器IC无法满足的。
例如,市场上没有专用的充电器IC能够以30V或更高的浮动电压为电池组充电,提供10A充电电流,并支持降压-升压、升压或反激式拓扑中的高效充电。因此,设计人员转向相对繁琐的分立元件解决方案,基本上回到了前充电器IC的黑暗时代。虽然分立式解决方案可以满足许多充电器要求,但它们无法与专用充电器IC的易用性和紧凑性相媲美。设计人员需要一种解决方案,既能保持专用充电器 IC 的简单性,又能提供分立元件解决方案的多功能性。
凌力尔特的 LTC4000 电池充电器填补了易于使用的专用充电器 IC 支持的应用与需要复杂分立解决方案的应用之间的空白。LTC4000 保留了专用单 IC 充电器的简单性,但采用 2 IC 型号以匹配分立式解决方案的应用多功能性。它可以与任何 DC/DC 或 AC/DC 转换器拓扑配对,包括但不限于降压、升压、降压-升压、SEPIC 和反激式。
LTC4000 承担专用充电器 IC 无法处理的电池充电器工作。它几乎可以与任何 DC/DC 转换器配合使用,以产生完整、功能丰富的电池充电器解决方案,无需拼凑分立元件。
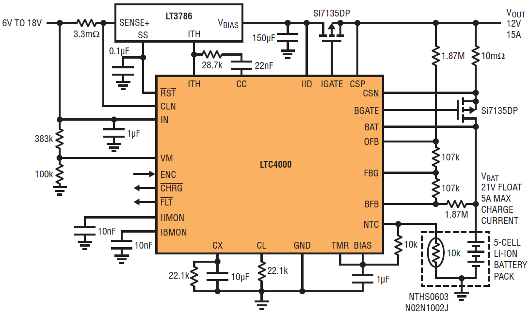
LTC4000 的宽输入电压范围 (3V–60V) 和几乎不受限制的电流能力可产生高效、高性能、全功能电池充电器,可与专用充电器 IC 的性能相媲美。图 1 示出了一个典型应用:LTC4000 与 LTC3786 配对以构成一个 5A、5 节锂离子电池充电器。

图1.6V至21V/5A升压转换器充电器,用于5节锂离子电池
功能摘要
LTC4000 可将几乎任何凌力尔特公司的外部补偿 DC/DC 电源转换为电池充电器,其特点是:
3V 至 60V 的宽输入和输出电压范围
精确的 (±0.25%) 电阻可编程电池浮动电压
引脚可选的定时器或电流端接
使用NTC热敏电阻进行符合温度要求的充电
自动充值
C/10 涓流充电,用于深度放电的电池
电池检测和状态指示器输出不良
精密电流检测可在高电流应用中实现低检测电压
LTC4000 还包括智能电源路径™通过低损耗外部PFET进行控制。一个外部PFET用于防止来自电池或系统输出的反向电流返回到输入。另一个PFET用于控制电池充电和放电。
在这种情况下,PFET的低损耗特性对于需要高容量电池高充电电流的系统至关重要。第二个PFET还具有即时启动功能,即使连接到严重放电或短路故障的电池,也能提供即时下游系统电源。
PowerPath 控制优先为系统负载供电。当输入功率有限时,系统负载始终优先于充电。此外,如果系统负载需要的功率超过输入所能支持的功率,则电池用于提供额外的功率以满足总系统输出负载。
LTC4000 采用扁平 28 引脚 4mm × 5mm QFN 和 SSOP 封装。
四个控制环路保持电池充电和输出处于调节状态
LTC4000 的核心是四个内部误差放大器,其输出相结合以驱动外部 DC/DC 转换器控制环路。通过这种方式,它可以控制几乎任何电池充电周期,无论化学成分和浮动电压如何。
图2显示了四个内部误差放大器(A4-A7)的简化框图。四个输入跨导放大器中的每一个都负责不同的调节环路:输入电流、充电电流、电池浮动电压和输出电压。输出跨导放大器 (A10) 可确保在 ITH 引脚上需要最低电压进行调节的环路控制外部 DC/DC 转换器。

图2.LTC4000 内核的简化框图 — 四个具有组合输出的误差放大器
输入电流调节环路(图2中的A4)可防止输入电流超过电阻可编程输入电流限值。此输入电流限制可防止整个系统使电源过载,从而实现更可预测和更可靠的行为。此外,这增加了一层额外的保护,以延长 DC/DC 转换器的功率组件和任何缺乏过流保护的电源的使用寿命。
另一个电流调节环路是充电电流调节环路(A5)。该环路控制充电周期的恒流阶段,确保通过充电电流检测电阻器检测的充电电流不超过电阻可编程的全充电电流。
恒流调节环路控制充电,直到电池达到其浮动电压。此时,电池电压调节环路(A6)接管,充电电流开始下降,充电器进入充电周期的恒压阶段。
浮动电压使用 BAT 引脚和 FBG 引脚之间的反馈电阻分压器进行设置。当 V在不存在。这可确保当电池(连接到BAT引脚)是唯一可用的电源时,浮动电压电阻分压器不会消耗电池电流。对于 V在≥3.0V时,FBG引脚至GND的典型电阻为100Ω。
当电池未充电,也不为负载供电时,连接到电池的外部PFET将关闭(图4)。在这种情况下,输出电压调节环路(图2中的A7)控制外部DC/DC转换器。输出电压调节环路类似于电池电压调节环路。该环路根据CSP引脚和FBG引脚之间的反馈电阻分压器调节CSP引脚上的电压。这种输出电压调节对于确保系统输出电压在电池与负载断开时保持良好调节非常重要。

图3.3 系列磷酸铁锂的电池充电阶段4电路如图1所示的电池

图4.输入理想二极管和电池电源路径控制器
电源路径控制
LTC4000 的另一个重要特性是 PowerPath 控制,它由两个功能组成:输入理想二极管控制,提供从 DC/DC 转换器到输出的低损耗理想二极管功能;和电池 PowerPath 控制,在系统输出和电池之间提供智能 PowerPath 路由。
输入理想二极管特性提供从 DC/DC 转换器输出(IID 引脚—阳极)到系统输出(CSP 引脚—阴极)的低损耗传导。低损耗传导对于大电流系统中的效率和热管理非常重要。此功能还可以防止电流从系统输出到 DC/DC 转换器。这种反向电流会导致电池不必要的消耗,在某些情况下可能导致不希望的 DC/DC 转换器行为。这种理想的二极管行为是通过控制栅极连接到IGATE引脚的外部PFET(M1)来实现的(图4)。
连接到BGATE引脚的外部PFET的PowerPath控制器类似于驱动IGATE引脚的输入理想二极管控制器(图4)。不充电时,PMOS充当BAT(阳极)和CSN(阴极)引脚之间的理想二极管。理想的二极管行为允许电池在 DC/DC 输出处于电流限制状态或 DC/DC 对输出端的立即负载增加反应缓慢时向系统负载提供电流。此功能可确保稳定的系统输出电压。
除了理想的二极管行为外,BGATE还允许电流在充电期间从CSN引脚流向BAT引脚。当电流从CSN引脚流向BAT引脚时,有两个工作区域。第一种是在对严重放电的电池充电时(电池电压低于 INSTANT ON 阈值,V蝙蝠(INST ON)).在此工作区域,控制器(图4中的A11)将系统输出端的电压调节至最终浮动电压电平的约86%。当充电到严重放电的电池时,此功能可提供明显高于电池电压的系统输出电压。这种瞬时接通功能允许 LTC4000 在独立于电池电压的情况下在系统输出端提供足够的电压。
当电池反馈电压大于或等于INSTANT ON阈值时,会出现第二个工作区域。在此区域中,BGATE引脚被驱动为低电平,以允许PMOS完全导通,从而降低充电电流引起的功耗。
应用
LTC4000 具有广泛的应用多功能性 — 它可与一个 DC/DC 转换器配对,以产生一个适用于任何电池配置的电池充电器。以下应用说明了这种多功能性。
高电压、大电流充电器
使用 LTC4000 和一个 DC/DC 转换器构建完整的充电系统与使用专用充电器 IC 一样简单。图 5 示出了在专为 3S LiFePO 设计的充电器中控制 LT3845A 降压型转换器的 LTC40004电池组(3S是指串联配置中的三节电池)。选择 LT3845A 降压型转换器是因为其简单性和高 60V 输入电压能力。

图5.48V至10.8V/10A降压转换器充电器,用于3串联LiFePO4电池组
每个LiFePO4电池的典型浮动电压为3.6V,因此总浮动电压为10.8V。10.8V浮动电压由R设定BFB2= 133k 和 RBFB1= 1.13M。设置浮动电压后,R 的值OFB1和 ROFB2确定 — 设置充电终止时的输出电压。在这里,ROFB2设置为 127k 和 ROFB1在1.15M时,将输出调节电压设置为12V。
设置浮动和输出电压后,设置电池的完全充电电流。在此特定示例中,使用R 将全充电电流设置为 10A.CS值为 5mΩ 和 RCL值为 24.9k。R两端的稳压检测电压.CS应尽可能大以获得最高精度。但是,较大的检测电压会导致R.CS以消耗更多功率。由于充电电流调节误差放大器的最大调节电平为1V,这意味着调节检测电压在R.CS限制为最大 50mV (=1V/20)。对于 10A 充电电流,该检测电阻的最大功耗为 0.5W。
R 的任何值CL大于20K不会影响全充电电流水平,但只要小于200K,就会影响调节的涓流充电电流水平。在本例中,选择24.9k值将涓流充电电流电平设置为1.25A。涓流充电可能发生在充电周期开始时,当电池电压低于浮动电压的 68% 时。这种涓流充电功能对于锂离子电池尤其重要,因为它们需要较小的电流(通常为满充电电流的 <20%)才能在为电池提供完全充电电流之前安全、逐渐地提高电池电压。
唯一具有设定点的其他调节环路是输入电流调节环路。使用与设置 R 类似的方法.CS,在本例中为 R是设置为 5mΩ,IL 引脚保持悬空状态 (内部上拉至 1V 以上的电压),以设置 10A 的最大输入电流限值。
这里描述的四个简单步骤足以定制一个LTC4000充电解决方案,以便为许多通用电池配置充电。为了进一步定制解决方案,可以选择一些其他元件值来编程充电终止算法。LTC4000 提供了定时器终止和充电电流电平终止。
通过充电电流电平终止,当充电电流电平下降(在恒定电压模式下)到CX引脚上编程的电平时,充电过程终止。
定时器终止时,充电过程继续在恒定电压模式下进行,直到使用TMR引脚上的电容器编程的时间段到期。在本例中,LTC4000 采用一个连接至 TMR 引脚的 0.1μF 电容器,设定了一个 2.9h 的定时器终止周期。连接到 CX 引脚的 22.1k 电阻设置一个 1A 充电电流电平,此时充电状态指示器引脚 (CHRG) 处于高阻态状态。
LTC4000 通过 NTC 引脚提供了符合温度要求的充电。热耦合到电池的负温度系数 (NTC) 电阻器连接在 BIAS、NTC 和 GND 引脚之间的电阻分压器网络中。该NTC电阻允许在电池温度超出特定范围时暂停充电。在本例中,电池温度范围设置在 –1.5°C 至 41.5°C 之间。 符合温度要求的充电可保护电池免受危险充电条件的影响,例如极热或极冷,这可能会损坏电池并缩短其使用寿命。
唯一需要定制的剩余组件是CC和ITH引脚之间的串联电阻和电容补偿网络,以及连接到VM引脚的电阻分压器网络。作为起始值,补偿网络可设置为与100nF电容串联的10k电阻。然后,可以通过查看四个调节环路中每个环路对小信号扰动的时域响应来优化它。在本例中,最终优化值为 14.7k 和 47nF。
VM引脚是比较器的输入,门限设置为1.193V。当该引脚的电压低于阈值时,RST引脚被驱动为低电平。当它高于阈值时,RST引脚处于高阻态。通过将RST引脚连接到DC/DC RUN或SHDN引脚,该比较器可提供简单准确的UVLO(欠压锁定)信号,可用于启动外部转换器。在本例中,输入UVLO电平设置为14.3V。设置最小电压可确保转换器的输入在其工作范围内,然后才允许其启动。这反过来又使整个充电解决方案的上电行为更加一致和可预测。
具有与 10A/3 节 LiFePO 类似特性的分立式解决方案4电池充电器至少需要两个高端电流检测放大器、四个运算放大器以及两个高压理想二极管控制器。其中每一项都需要单独测试和认证,以确保其规格的兼容性,例如共模范围、速度和输入电源电压范围。此外,分立解决方案需要微处理器来处理充电算法。
如本示例所示,LTC4000 省去了这些组件,无需对其进行测试。设计简化为根据电压和功率要求选择合适的 DC/DC 转换器,以及一些无源元件(主要是用于设置重要充电器系统参数的电阻器)。
隔离式电池充电器
图 6 示出了 LTC4000 与 LTC3805-5 配对以构建一个具有 2A 充电电流的隔离式单节锂离子电池充电器。此应用展示了 LTC4000 的强大功能,它使用几乎任何拓扑结构的现成 DC/DC 转换器来创建独特的电池充电器解决方案。这种基于 LTC4000 的简单解决方案免除了设计复杂分立式解决方案的需要。

图6.18V–72V V在至 4.2V/2A 隔离式单节锂离子电池充电器
利用 LTC4000,设计隔离式充电器的任务减少到选择合适的隔离式转换器、选择 PFET 以及确定某些电阻器和电容器的值。对于图 6 所示的应用,我们使用具有高输入电压能力的 LTC3805-5 隔离式反激式转换器。两个相对低电压的PFET用于PowerPath控制,因为次级侧仅出现小于6V的电压。在此特定应用中,唯一独特的连接是使用光耦合器将来自次级侧的LTC4000的ITH反馈信号传送到初级侧LTC3805-5的ITH引脚。
由此产生的充电器能够在隔离环境中以2A为单节锂离子电池(4.2V浮动)充电。该系统具有 18V 至 72V 的宽输入范围,充电终止时间为 2.9 小时,涓流充电电流为 220mA。
整体解决方案以受控方式将系统总输出电流限制在2.5A。通过防止初级电流过载,输入电流限制为电源组件提供了额外的保护级别,并提供了更高的整体系统可靠性。
高压降压-升压电池充电器
另一种独特但通常要求的电池充电器解决方案是降压升压电池充电器。同样,目前没有可用的专用IC解决方案。图 7 示出了 LTC4000 与 LTC3789 配对以创建一个全功能降压-升压型 12V 铅酸电池充电器。

图7.6V–36V V在至 14.4V/4.5A 降压-升压 6 节铅酸电池充电器
降压-升压拓扑允许电池从低于或高于其浮动电压的电压充电,从而简化了系统设计中的电池和输入电压选择。然后,可以针对其他系统参数或此类电池组的价格和可用性优化串联电池的数量。同样,通过设置两个电阻(R.CS和 RCL)也进一步简化了系统设计中的电池容量选择。
上图所示的 LTC4000 和 LTC3789 配对的整体充电解决方案能够从一个范围为 6V 至 36V 的输入电源电压以 4.5A 的电流对 12V 铅酸电池 (14.4V 吸收和 13.4V 浮充) 进行充电。系统设置了 12.5A 的输入电流限值,如果系统负载对输入电流的要求超过 12.5A,则允许在输入和电池之间分配负载。在源电压范围的低端,输入电流迅速增加以满足不断增长的输出功率需求,这一特性尤其重要。
此处所示的充电器解决方案不提供端接,允许在 13.4V 的最终浮动电压下连续恒压充电。通过 187k 电阻将 CHRG 引脚连接到 BFB 引脚,实现了铅酸电池常见的 2 级充电算法(吸收和浮动)。整个充电算法首先充电至14.4V的吸收水平,直到充电电流降至500mA。此时,CHRG引脚处于高阻态,从而改变连接到BFB引脚的反馈电阻网络。通过这种方式,电池充电器进入最终浮子恒压模式,最终浮子目标为13.4V。如果电池降至13.1V以下(再充电阈值),CHRG引脚再次变为低阻抗,电池充电器再次设置为将电池充电至14.4V的吸收水平。
由于这是一种降压-升压充电器设置,因此只需简单调整电阻分压器和PFET选择,即可支持具有3V至36V浮动电压的电池组。类似的变化允许电池充电电流从几毫安到几十安的编程。
图 8 示出了 LTC4000 和 LTC3789 配对的演示板。请注意,LTC4000 及其无源元件占用的空间很小,占用的面积小于 3.6cm2.这为几乎任何电池提供了紧凑的充电解决方案。

图8.演示电路显示了由LTC4000和LTC3789配对形成的完整电池充电器
结论
对替代能源需求的增加,加上便携式工业和医疗应用的爆炸式增长,导致对各种可充电电池供电系统的需求。其中许多系统都有专用电池充电器IC(面向特定电池化学成分/配置和输入/输出电压)无法满足的要求。分立式解决方案可以满足这些系统的需求,但与专用IC解决方案相比,此类解决方案更难实现,占用更多的PC板空间,并且需要更长的设计时间。
LTC®4000 电池充电器填补了由易于使用的专用充电器 IC 支持的应用与由更复杂的分立式解决方案支持的应用之间的差距。LTC4000 的宽输入电压范围 (3V–60V) 和几乎不受限制的电流能力支持与任何 DC/DC 或 AC/DC 转换器拓扑配对,包括降压、升压、降压-升压、SEPIC 和反激式。当与合适的电源转换器配对时,LTC4000 构成一个高效、高性能的全功能电池充电器,其占用空间通常不到 3.6cm2.
审核编辑:郭婷
全部0条评论
快来发表一下你的评论吧 !