汽车 LED 驱动器通常需要升压/降压 DC/DC 转换器 可以在升压和降压时产生恒定电流 输入电压(电池)变化。汽车的另一个重要要求 应用是低EMI,即低输入和输出纹波。电磁干扰要求 可能很难满足,因为最常用的升压/降压很少 DC/DC 转换器拓扑可在低输入和低输出下工作 瑞波币,同时也满足其他要求。然而,这些要求很容易 满足此处描述的独特、正在申请专利的升压降压拓扑。
这种新拓扑并不是唯一的升压/降压 拓扑可用。那里 是许多其他拓扑 可转换宽范围的输入电压 到 V发光二极管在该范围内。最 常用的非隔离式升压/降压 LED 驱动器拓扑包括:
4 开关降压-升压,非常 高功率和高效率
耦合或非耦合 SEPIC
单电感降压-升压模式
正至负(基于降压)单电感降压-升压。
这些都有优点 拓扑,但没有一个可以同时产生两者 真正的低输入和输出纹波。线性 正在申请专利的技术“助推降压” (升压后降压模式)浮动 输出 LED 驱动器拓扑特性 低输入和输出纹波,由于 面向输入和输出的电感器(或 耦合绕组)。以各种方式,它 类似于单个电感降压-升压 模式,单开关节点SEPIC和 Cuk的正版本(也具有 低输入和输出纹波,但需要 负参考反馈电路)。
组合升压降压的整体尺寸 电感器(或耦合电感器) 类似于单电感器 在降压-升压模式下。输入纹波 类似于 SEPIC,但输出 纹波要低得多。电感器尺寸 与 SEPIC 相同,但具有单个 切换节点而不是两个(较小的 热回路),没有并发症 之间的耦合电容 两个绕组。输入和输出 纹波类似于低输入和 输出纹波(反相)库克转换器, 但同样,使用单个交换机节点 而不是两个,最重要的是, 无需负引用 电路反馈架构。
一个低 EMI 正升压-降压型器件可利用一个升压型 LED 驱动器轻松构建,例如 LT3952。
升压-降压拓扑和 浮动 LED 输出
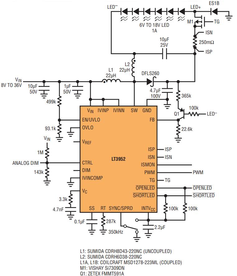
图 1 显示单个开关 60V 具有 4A 电流的单片式 LT3952 LED 驱动器 峰值开关电流,可使用 作为汽车升压-降压LED驱动器。 这款 350kHz、1A LED 驱动器可为 6V 至 18V LED,采用 8V 至 36V 电压 输入效率最高可达 90% 负荷。转换效率高 是强大的内部MOS的结果 开关。各种 LED 的效率 串电压如图3所示。

图1.LT®3952 8V–36V 输入至 6V–18V LED 1A 升压-降压型 LED 驱动器具有低输入和输出纹波,在 120Hz 时具有 300:1 PWM 调光能力和 90% 的效率。

图2.LT3952 单电感器降压-升压模式 LED 驱动器用于与图 1 升压-降压拓扑进行比较。

图3.图1所示的升压-降压效率在12V输入和17.5V 1A LED灯串下高达90%。
与其他 LED 驱动器一样,LT3952 的 多功能单侧、低边电源开关 架构可用于为浮动供电 输出升压和降压转换器 如升压-降压和单电感 降压-升压模式。LED 灯串的电压 参考地面并不重要 因为LED输出只是可见光。 正因为如此,独特的浮动LED发光二极管 驱动器拓扑,如升压-降压 和降压-升压模式是可能的。
LT3952 的 PWM 能力使 浮动顶部的浮动 LED 灯串 栅极 (TG) 引脚 PWM MOSFET 驱动器可轻松实现 支持浮动 LED 负载。升压降压 在图1中,PWM可以按比率调暗 300:1 或更高(在“无闪烁”下) 120Hz)。 高边TG驱动器毫不费力 提供 PWM 调光以增强, SEPIC、降压-升压模式、降压模式和 升压降压 LED 驱动器。它甚至翻了一番 作为短路保护断开,以防止可怕的 LED+ 到接地 条件。LT3952 可保护 并报告 LED 短路和开路 升压-降压拓扑中的条件。
升压-降压 LED 驱动器拓扑可以 输入至输出的升压和降压 调节 LED 时的电压 当前。升压-降压占空比、效率、 开关电流和电压外节点电压为 与两个单电感降压-升压相同 模式和 SEPIC。这里有一些 升压-降压 LED 驱动器的特性:
V外= V在4 Ω发光二极管
直流 = V发光二极管/(V在4 Ω发光二极管)
我SW(峰值)= I在+ 我发光二极管+ 我L(P–P)/2
我L(P–P)= IL1(P–P)+ 我L2(P–P)
低输入和输出纹波 拓扑结构 = 低 EMI
图 2 显示了一个“等效”单曲 电感降压-升压驱动器 — 可比 到升压降压驱动器,如 图1.虽然有相似之处 两者之间,它们在 输入和输出纹波。图 4 演示 降低的传导电磁干扰 升压-降压驱动器(图1)与 降压-升压模式版本(图2)。这 输入和输出绕组分离 防止输出纹波电流 从耦合到输入电容器 升压降压,从而降低电磁干扰。这 图4中的EMI显示低AM频段EMI 从 530kHz 到 1.8Mhz,降低了 对大EMI输入滤波器的要求。

图4.(a) 图 1 升压-降压传导 EMI 远低于 (b) 图 2 12V 输入、18V、1A LED 串的降压-升压模式传导 EMI。
图 5 比较了输入和输出 升压-降压拓扑的纹波路径 与SEPIC转换器的那些,其中 没有相同的低输出纹波。 输入或输出上的高纹波 线路可以辐射并增加EMI, 特别是如果这些线是几米 长,就像在车里一样。减轻辐射电磁干扰 在输出端附加LC滤波 不建议使用 LED 驱动器, 因为它会抑制最佳的PWM调光 通过减缓 PWM 转换实现性能 并导致不必要的振铃。这 低纹波、面向输出的电感器 升压降压产生最佳组合 PWM 调光性能和低输出 EMI,类似于仅降压转换器。

图5.升压-降压 LED 驱动器类似于 SEPIC LED 驱动器拓扑结构。
请注意,正负单曲 电感降压-升压转换器还具有 低输出纹波和高带宽, 但其输入和输出纹波是耦合的 进入大系统输入电容, 产生更大的传导电磁干扰。
输入和输出电容器 在升压-降压拓扑中轻松滤波 低三角纹波电流等于 我L1(P–P)/√12.电容大一点或 电感可以进一步降低EMI 拓扑学。既不是输入也不是输出 电容在转换器的高电平中至关重要 dI/dt 热回路。在此拓扑中,关键 热回路被限制在箝位二极管上, 外接地电容器和内部 低边开关,如图5所示, 简化布局。如果两个电感器 或升压降压的绕组被绑住 一起连接 LED− 节点 对输入,升压-降压被转换 到降压-升压模式。在这种情况下, 热回路电流以及输入和输出纹波电流可以找到它们的 输入和输出电容器, 分别导致增加 输入和输出纹波测量。
环路稳定性分析 (类似SEPIC的控制回路)
升压-降压的控制回路 转换器具有SEPIC的个性。 可以测量环路响应 使用网络分析仪,通过注入 噪声扰动进入ISN线路和 测量增益和相位 检测电阻处的环路响应。这 图1中的非耦合升压-降压产生 7kHz 交越频率和良好 相位裕量超过 60° 和增益超过 10° 12V 输入至 18V 时的裕量发光二极管在 1A 时。
如果没有可用的网络分析器,则 循环动力学可以通过 LED电流瞬态响应的形状 当 CTRL 输入为 从 50% 切换到 100% LED 电流 反之亦然。合并的下部 频率提升响应及更高 该升压降压的频率降压响应 可以在两个循环中看到 波特 图和瞬态响应。
正负升压模式,然后降压 拓扑学 具有相似的性能 优势
另一个正在申请专利的升压降压LED 具有低纹波输入和 输出如图 6 所示。LT3744 正至负升压降压 (升压模式后降压) 也是一个低输入和 输出纹波 LED 驱动器,但改用 使用同步降压转换器 具有负调节能力。

图6.LT®3744 9V–16V 输入、16V、3A LED 串正至负升压-降压型 LED 驱动器具有低输入和输出纹波和 48W LED 时的 93% 高效率。
这种独特的浮动负输出拓扑 利用 同步降压型 LT3744 LED 驱动器 带 PWM 和输出标志电平转换 能力。这些优势之一是 只有通过 同步开关IC,特别是 驱动大功率LED灯串时, 如图6中的3A、48W LED负载。 同步升压和降压降压 LED 驱动器均可与两者配合使用 同步升压和降压 LED 驱动器。
结论
正在申请专利的新型升压降压 LED 凌力尔特的驱动器拓扑 提供升压和降压输入 V发光二极管具有低输入和输出纹波的比率。 新型 LED 驱动器,例如 LT3952 和 LT3744 可用于 和汽车中的大功率LED灯串 和工业应用,其中高 功率和低噪声至关重要,无需 牺牲PWM调光性能。
审核编辑:郭婷
全部0条评论
快来发表一下你的评论吧 !