作者:Keith Szolusha and Kyle Lawrence
LED应用的广度已经发展到涵盖从普通照明到汽车、工业和测试的所有领域。 设备、招牌和安全设备。因此,LED驱动器的设计要求范围已经扩大。这 最新的 LED 解决方案要求驱动器紧凑、高效、低噪声,并具有高调光比和高级故障 保护。LT3922 可轻松满足这些要求。
具有集成开关和内部 PWM 调光功能的 LT3922
LT®3922 具集成式 2A 开关的 36V、同步 LED 驱动器可配置为升压、降压或升压-降压 LED 驱动器。其 高效率同步和集成电源开关采用纤巧的 4mm ×5mm QFN 封装。该设备集成了凌力尔特最 先进的开关技术,将高功率能力浓缩到狭小的空间中,同时控制边沿速率并降低 不需要的现场排放。集成的同步开关在受控开关边沿下运行,不振铃,仅提供 高效率和低噪声的适当平衡,可在高达 2.5MHz 的频率下运行,从而形成紧凑的解决方案。
拓扑选择:升压、降压模式、升压-降压
LED 串由受控电流驱动,无需直接接地。发光二极管和发光二极管+−,或者任何一个,都可以连接到非接地电位。这为浮动输出 DC/DC LED 驱动器拓扑开辟了选项领域,包括降压模式(降压)和升压-降压(升压和降压)。LT3922 的高边 PWMTG 驱动器和同步开关可配置为升压、降压模式或升压-降压 LED 驱动器,同时保留所有 IC 特性的使用,即内部 PWM 调光、SSFM、低 EMI、ISMON 输出电流监视器和输出故障保护,这些功能从标准升压拓扑结构延续至降压模式和升压-降压型。
提高
当用作升压型转换器时,LT3922 能够为高达 34V 的 LED 供电,从而在低于 40V 的电压下留出一些裕量用于 LED 开路过冲。 图1所示的2MHz、4V至28V升压LED驱动器为330mA的LED串供电,电压高达34V。它可以在外部PWM调光 在 120Hz 至 2000:1 比率下,或者可在内部调光至 128:1 比率,并在 PWM 引脚上使用模拟输入电压。

图1.2MHz 常规升压原理图,120Hz 时具有 2000:1 PWM 调光
它可以承受开路 LED 和 LED 接地短路,并通过置位其 FAULT 引脚报告这些故障。输出电流可以通过ISMON引脚进行监控,即使在PWM调光期间也是如此。在2MHz开关频率下,其基波EMI谐波位于AM频段以上,但其EMI仍然很低。可以添加扩频调频(SSFM),以将开关频率分布在2MHz至2.5MHz之间,并降低基波及其多次谐波处的EMI。2MHz升压转换器的效率在12V时仍高达91%+在由于集成了同步开关。在较低的 V 下在,当峰值电感电流达到其限值时,输出电流正常降低,在LED保持亮起时不闪烁。
麚
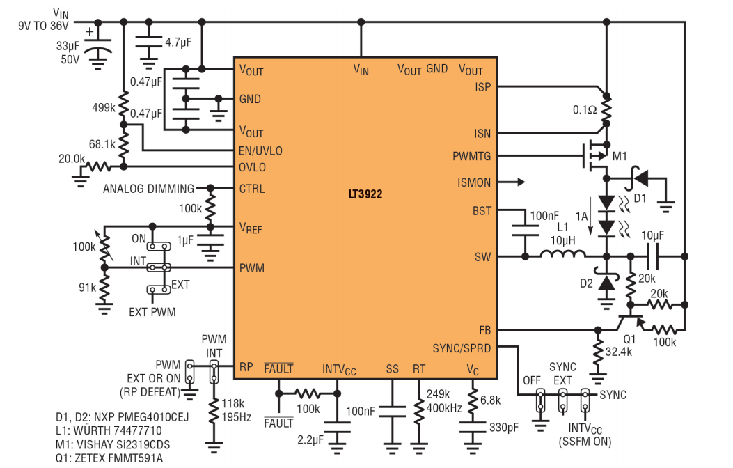
当 LT3922 用于降压模式拓扑时,输入电压可高达 36V,并且一串 LED 可以高达 1.5A 的电流驱动, 如图2所示。高端ISP和ISN电流检测输入以及PWMTG PMOS驱动器可轻松移至 LED,以降压模式连接到输入。LED− 直接连接到电感器,而不是接地。驱动两个时,1A 6.5V 时的 LED,12V 时的同步降压模式效率高达 94%在在 36V V 时仍高达 89%在.高 降压模式转换器的带宽使其能够在 100Hz 时以 1000:1 PWM 调光比工作。

图2.400kHz降压模式LED驱动器,带1000:1 100Hz PWM调光亮度控制
升压降压
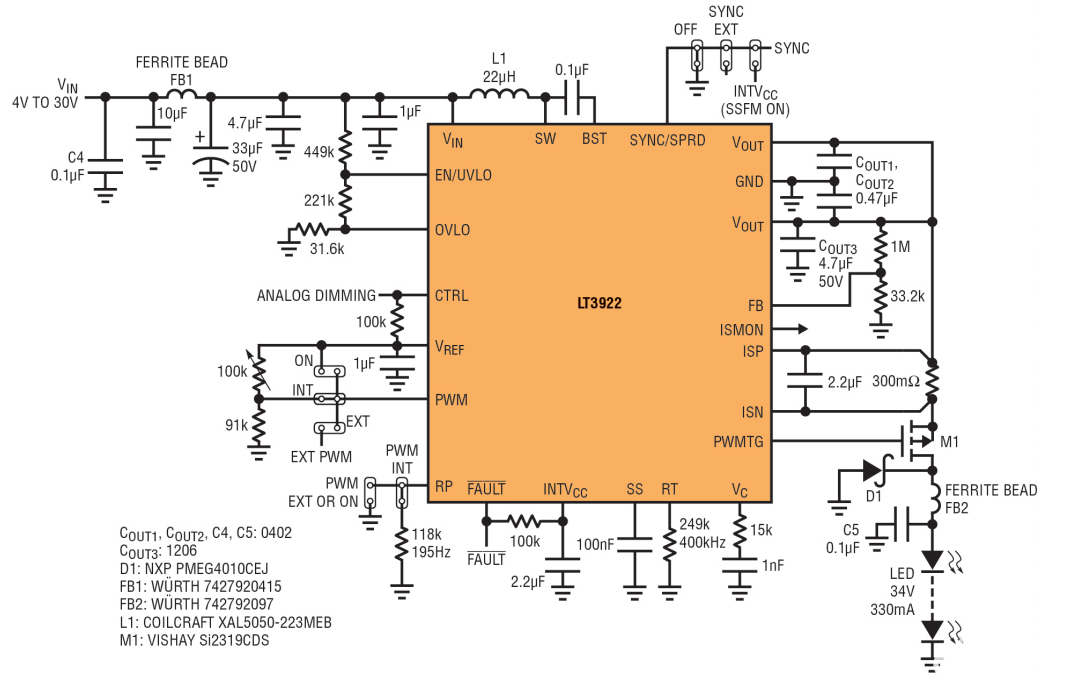
图 3 中的 LT3922 升压-降压拓扑支持一个输入电压范围,该范围扩展在 LED 串电压之上和之下。的总和 LED串电压和输入电压必须保持在35V以下,以使ISP和ISN电压低于40V绝对最大值。

图3.2MHz升压-降压LED驱动器,具有低输入和输出纹波。该解决方案通过 CISPR 25 5 类。
这种获得专利的低 EMI 拓扑具有升压型低纹波输入电感器和降压模式型低纹波输出导向型电感器。4V–18V 汽车输入或多个电池化学输入(5V、12V 和 19V)升压-降压转换器可驱动 3V 至 16V 之间的任何 LED 灯串电压。
与其他拓扑一样,PWMTG 驱动器简化了 PWM 调光 MOSFET 连接。开路和短路保护不是 在浮动 LED 拓扑中受到损害。LED 上的可选二极管−防止发光二极管−接地短路。
图3中的2MHz转换器在12V V时效率为85%(无EMI滤波器时为87%)在, 15V V发光二极管, 330mA I发光二极管高达 2000:1 120Hz 时的 PWM 调光比。该解决方案符合汽车日间行车灯、信号灯或尾灯 LED 的要求 驱动器,由于其尺寸,多功能性和低EMI。
汽车照明
LED的很多功能使其成为汽车照明的理想选择。LED尾灯和日间行车灯具有视觉吸引力。 高效的 LED 大灯坚固耐用,使用寿命比相对容易烧坏的灯丝灯长几个数量级 前辈。驱动器体积小、效率高,具有宽输入和输出电压范围,并应具有低EMI。
纤巧型 LT3922 LED 驱动器具有汽车环境所需的低 EMI、高效率和故障保护功能。它可以供电 从汽车 9V–16V 输入范围,在面对瞬变时工作至 36V,在低至 3V (冷启动条件下)。其低电磁干扰 静音开关稳压器架构、SSFM 和受控开关边沿使其成为为低 EMI LED 供电的理想选择。它的多功能性使其 适用于外部日间行车灯、信号灯、尾灯和前照灯段的升压、降压和升压-降压应用 作为内部仪表板和平视显示器,具有高调光比。内置的灵活性和故障保护减少了所需的数量 用于防止 LED 灯串短路和开路的组件。®
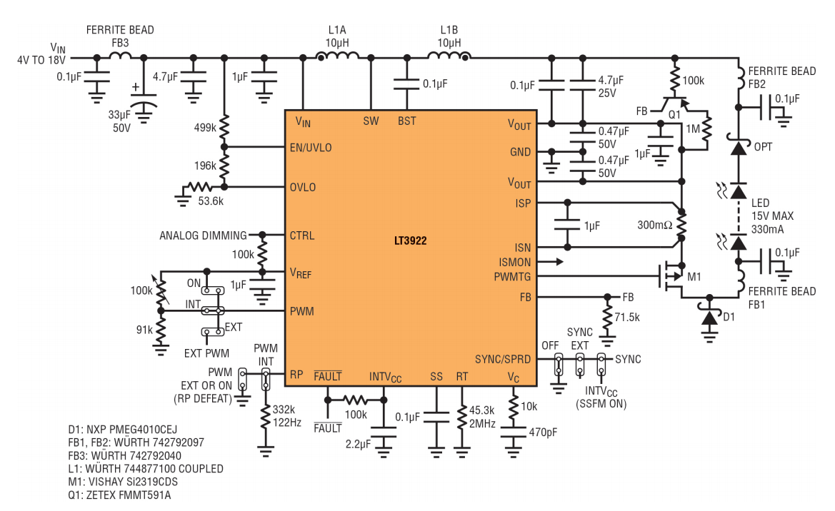
图4中的400kHz汽车升压LED驱动器通过了CISPR 25 5 Class EMI测试,如图5所示,其中显示了传导和 LT3922 的辐射 EMI 测试结果以及 5 类 EMI 限值。这是 LT3922 低 EMI 特性组合的结果, 包括但不限于受控开关边沿和扩频频率调制(SSFM)。当然,适当的布局和 应使用少量铁氧体磁珠滤波(FB1和FB2)以获得最佳EMI结果。

图4.400kHz 汽车升压 LED 驱动器,带低 EMI 滤波器,可选择 100%、10% 或 1% 内部生成的 PWM 调光。EMI测试(图5)表明,该解决方案通过了CISPR 25 Class 5。

图5.图4所示的400kHz LED驱动器的EMI曲线,通过CISPR 25 5类,具有最小的EMI滤波器。如果需要进一步降低EMI以满足特定的制造商EMI要求,则可以在输入端添加更大的LC滤波器。
内置功能,实现低 EMI
LT3922 包括许多特性,使设计人员能够轻松实现低 EMI 解决方案。首先,LT3922 集成了 凌力尔特获得专利的静音切换器架构,其中内部同步开关最大限度地减少了热开关环路尺寸并可控 切换边沿不振铃。
图 6 示出了 LT3922 的引出脚排列如何能够在两个 V 附近放置小型高频电容器外用于最小化热回路的引脚 尺寸和电磁干扰。

图6.双环路布局和高频 0402 分离电容器可产生相对的小热回路,有助于降低高频 EMI。
开关边沿速率由 LT3922 控制,从而消除了开关转换器中常见的高频振铃,而没有这种速率 特征。LT3922 的受控开关边沿减小了电源开关高频 EMI,而不会降低效率和功率 能力。
LT3922 中的 SSFM 以一种 1.6kHz 的速率将电阻器设置开关频率从其值的 100% 上下分配至 125%,以实现 400kHz转换器。这降低了转换器在低频和高频下的峰值和平均EMI。该功能易于打开 并通过将 SYNC/SPRD 引脚连接到 INTV 来关闭抄送或分别是GND。
内部生成的 PWM 调光
通过 CTRL 引脚上的可调电压进行模拟调光一直比更精确的 PWM 调光更容易实现。直到 现在,PWM调光需要一个外部时钟或微信号,其占空比通过PWM输入引脚控制亮度。然而 LT3922 具有一个内部产生的 PWM 调光信号,该信号只需要 PWM 引脚上的一个外部电压即可设置占空比 128:1 PWM 调光的周期。PWM 周期(例如 122Hz)由 RP 引脚上的单个电阻设置。
LED电流精度对于具有冗余光簇的车辆至关重要。出于显而易见的原因,双方的亮度必须匹配。 相同制造的LED可以在相同的驱动电流下产生不同的亮度。LT3922 的内部调光功能可以 用于接近或略低于 100% 占空比的亮度调整,然后设置为精确的 10:1 或 100:1 比率。这样可以节省光线 集群制造商无需为特殊分类的 LED 支付额外费用。
当需要更高的调光比时,LT3922 能够以常规方式进行外部调光。高带宽 400kHz 降压模式 图2中的LED驱动器在100Hz时产生1000:1 PWM调光比。图1中的2MHz升压LED驱动器可实现2000:1调光 120Hz时的比率如图7a所示。通过放置122Hz频率,可以为内部生成的PWM调光设置相同的电路 RP 引脚上的电阻,并将 PWM 引脚电压设置为 1.0V 至 2.0V,以实现高达 128:1 的调光,如图 7b 所示。The LT3922 在某些应用中可设置为与高达 5000:1 的外部 PWM 调光配合运行,并且 PWM 调光可与 LT3922 的 用于超过 50,000:1 亮度控制的模拟调光

图7.(a) 外部生成的 2000:1 或 4000:1 PWM 调光(图 1)和 (b) 内部生成的 128:1 PWM 调光(图 1)。
机器视觉
在工业装配线应用中,机器视觉(图8)使用高速数字技术为设备提供快速视觉反馈 摄影与数字图像处理相结合。这有助于快速识别和隔离有缺陷的产品,很少或没有人 检查。用于机器视觉系统的照明必须与装配线过程的速度同步,同时 在无限期的关断时间内保持产生一致光脉冲的能力。

图8.装配线系统概述与机器视觉应用。
传统的LED驱动器在PWM输入信号保持低电平后无法保持其输出电压 时间。这是由于输出电容逐渐放电,使得通用LED驱动器不适合这些类型的应用。 然而,LT3922 在 PWM 信号的下降沿期间对转换器的输出状态进行数字采样。然后它保持其 通过在 PWM 关断时间内执行“维护开关”,在 LED 处于 由高压侧 PMOS 断开。在频率高于 100Hz 的标准 PWM 调光期间,最长关断时间为 10ms 或更短,并且 此时无法从输出端拉出太多漏电流。机器视觉和频闪应用之间的关断时间可能很长 100ms和5s(或更长),允许数十到数百倍的泄漏。
维护开关可确保输出电容器维持在 LT3922 的上一个采样周期内记录的电压。这 假设向IC提供不间断的输入电源,转换器状态的数字样本将无限期存储。这允许 LT3922在任何给定关断时间内具有一致的输出电流波形,如图9所示。

图9.无论空闲或停机时间如何,相机闪光灯波形看起来都一样。波形在 10ms 后和 1 小时后显示脉冲。空闲一小时后闪光灯看起来与10毫秒后相同。这些结果适用于图1所示电路。
| LT3922 | LT3795 | LT8391 | LT3952 | LT3518 | |
| V在范围 | 2.8V–36V | 4.5V–110V | 4V–60V | 3V–42V | 3V–30V (40V 瞬态) |
| 同步 | |||||
| 频率范围 | 200kHz–2.5MHz | 100kHz–1MHz | 150kHz–650kHz | 200kHz–3MHz | 250kHz–2.5MHz |
| 峰值开关电流 | 2一 | 10A+ | 10A+ | 4一 | 4一 |
| 小规模渔业管理 | |||||
| TG 脉宽调制 | |||||
| 内部 PWM 调光 | |||||
| 短路保护 | |||||
| 包 | 4 毫米 × 5 毫米 QFN | 28 引脚 TSSOP | 4 毫米 × 5 毫米 QFN | 28 引脚 TSSOP | 4 毫米 × 4 毫米 QFN |
结论
LT®3922 具内部同步 2A 开关的 36V LED 驱动器是一款紧凑的多功能 LED 驱动器。它可以很容易地用于升压, 降压和升压-降压拓扑。无论拓扑结构如何,其所有功能都可用,包括高 PWM 调光能力和 内部产生的 PWM 调光。低 EMI 可通过其静音切换器布局和 SSFM 轻松实现。其紧凑且同步 开关即使在高达 2MHz 的频率下也能保持高效率。凭借强大的故障保护功能,该 IC 可轻松满足以下要求: 汽车其他要求苛刻的应用。
审核编辑:郭婷
全部0条评论
快来发表一下你的评论吧 !