作者:ADC
高速模数转换器 (ADC) 已发展到每秒千兆采样 (GSPS) 领域,可用带宽也相应增加。这些性能改进带来了许多挑战,其中之一是更复杂的电源要求。例如,2.6 GSPS ADCAD9625需要七个独立的电源轨,分为三个电压电平:1.3 V、2.5 V和3.3 V。
完整的ADC电源系统必须高效,适合已经拥挤的PCB,并产生与负载灵敏度相匹配的输出噪声。平衡这些需求(通常彼此不一致)是系统设计人员的首要参数优化问题。传统上,通过将开关稳压器(噪声大但高效)与低压差(LDO)后置稳压器相结合来解决该问题,后者可能效率相对较低,但它们降低了电源噪声。图1显示了典型系统的框图。
不幸的是,效率和噪声性能优化通常以牺牲系统复杂性为代价。图2显示了使用μModule静音开关稳压器的替代电源系统。该解决方案在更小的空间内为ADC提供安静的电源,并且比传统解决方案效率更高。®®
考虑噪声
系统设计人员必须考虑量化负载的灵敏度,并使其与电源噪声相匹配。通过在电源路径中使用LDO稳压器,既可以作为独立稳压器(图2),也可以作为开关稳压器之后的后置稳压器,如图1所示,从而将电源噪声降至最低。LDO稳压器能够抑制输入电源噪声,以电源抑制比(PSRR)来衡量。
使用LDO稳压器改善噪声性能的代价是效率较低。LDO稳压器在高降压比下效率低下,因为它们必须在调整元件上耗散多余的功率,因此使用LDO稳压器的目标是最小化降压比以最大限度地提高效率。这就是为什么它们通常用作后置稳压器,跟随固有噪声但高效的开关稳压器,开关稳压器最初在LDO稳压器输入之前降压主电源轨。然而,当用作后置稳压器时,最大化LDO稳压器的PSRR性能需要额外的裕量,从而进一步降低整体电源效率,尤其是在较高负载下。

图1.使用开关稳压器和LDO稳压器的基准GSPS ADC电源设计(传统设计)。

图2.传统开关稳压器和LDO电源系统的替代方案,如图1所示。该设计具有两个直接为AD9625供电的LTM8065 μModule静音开关稳压器。这种设计安静、更紧凑、更高效 (LTM8065 无滤波设计)。
考虑简单性和占用空间
传统的开关稳压器加LDO系统通常使用分立元件实现,导致PCB占位面积大而复杂,这违背了尺寸经济和设计简单性的目标。相比之下,这些目标可以使用μModule稳压器来实现,由于关键稳压器元件集成在封装中,尤其是相对较大的电感器,因此可以实现紧凑的PCB解决方案。
此外,μModule稳压器通常可以处理足够的负载,允许设计人员在单个μModule输出上组合等效电压电源轨。高电流能力还可以在现有的基于μModule稳压器的设计中添加电源轨,从而简化设计修改,从而缩短上市时间。
此处所示的基于μModule稳压器的解决方案高效紧凑,非常适合高性能AD9625 12位2.6 GSPS ADC。电源由 LTM8065 提供,线性电源™静音开关器 μModule 稳压器。静音切换器技术几乎消除了不可预测和难以滤除的高频噪声,从而转化为与ADC灵敏度完美匹配的电源。
为了针对传统电源设置测试μModule稳压器解决方案,AD9625的1.3 V和2.5 V电源轨由LTM8065 2.5 A降压μModule稳压器供电。检查了LTC电源模块电源轨和输出频谱上的ADC电源噪声灵敏度。
AD9625 ADC的传统基准电源系统设计
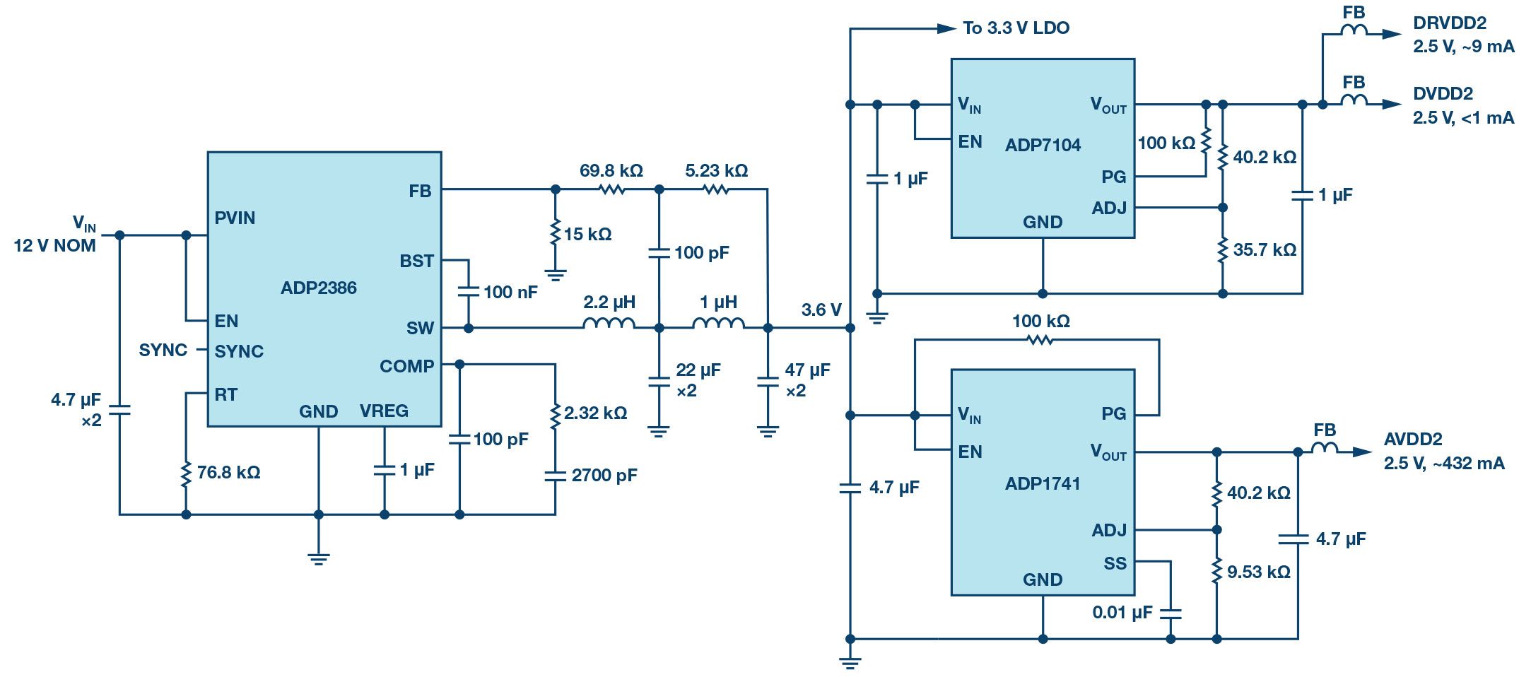
图3显示了传统推荐的AD9625 2.6 GSPS ADC电源设置的部分原理图。图3仅显示了2.5 V电源轨,其中还显示了每个电源轨的典型电流要求。在一个完整的电源中,七个不同的电源域分为三个电压电平:1.3 V、2.5 V和3.3 V。图1中的框图概述了完整的电源。
在该系统中,开关稳压器(两个带LC滤波器的20 V/6 A降压转换器ADP2386)充当3.6 V和2.1 V中间电压的前置稳压器。3.6 V输出稳压器如图3所示。这些中间电压由每个稳压ADC输入轨上的LDO稳压器进一步降压。LDO稳压器为ADC提供稳压,可有效减小开关稳压器的输出纹波。

图3.原理图显示了传统开关稳压器和LDO系统的三个2.5 V电源轨,用于为AD9625供电。其他四个电源轨未在此处显示,但在图1的框图中表示。
传统的基线系统成功地产生了调节良好的低噪声输出,但代价是复杂性。在电路板上安装众多元件可能很困难,而且LDO效率在最高负载下可能会受到影响,从而可能产生热问题。有没有更好的方法?有。
LTM8065 μModule 稳压器,直接为 AD9625 ADC 的 1.3 V 和 2.5 V 电源轨供电
图4显示了图2框图中概述的替代电源解决方案的完整原理图。该系统由两个LTM8065 μModule稳压器和一个ADP7118 LDO稳压器组成。LTM8065是一款40 V输入、2.5 A静音开关μModule稳压器,采用耐热性能增强型紧凑型包覆成型球栅阵列(BGA)封装。该模块包括开关控制器、电感器和其他支持组件。LTM8065支持0.97 V至18 V输出电压范围和200 kHz至3 MHz开关频率范围,输出电压由单个外部电阻器设置。完整稳压器所需的其他元件只有输入和输出电容。

图4.传统ADC电源系统的替代方案。这款完整的七轨解决方案为AD9625 2.6 GSPS ADC供电。请注意,完整的原理图与图2中的框图没有太大区别。
在此解决方案中,LTM8065直接为1.3 V电源轨和2.5 V电源轨供电。3.3 V电源轨直接由ADP7118低噪声LDO供电,采用12 V电源供电。3.3 V电源轨电流小于1 mA,因此LDO稳压器两端的功耗可以忽略不计。
关于负载对电源噪声的敏感性
ADC的电源灵敏度是设计电源系统时的首要考虑因素。对电源噪声的敏感性可以通过测量ADC本身的PSRR或从数据手册中检索PSRR来确定。有两种类型的PSRR:静态PSRR和动态(交流)PSRR。静态PSRR是电源电压变化与由此产生的ADC失调误差变化之比。这不是一个主要问题,因为DC-DC转换器应该为负载提供良好的调节电压。另一方面,动态(交流)PSRR是电源设计人员关注的测量值,因为它代表了ADC在一定频率范围内衰减电源引脚噪声的能力。
ADC ac PSRR是通过在电源引脚上注入正弦波信号,同时直接在被测电源引脚上测量注入的正弦波信号幅度(在靠近电源引脚的去耦电容处探测)来获取的。ADC FFT的本底噪声上出现相应频率的数字化杂散。ADC FFT频谱上注入信号的测量幅度与相应数字化杂散幅度的比值为电源抑制比。图5显示了典型交流PSRR测量设置的框图。

图5.模数转换器变频器测试设置。
使用AD9625 2.6 GSPS ADC,在1.3 V模拟电源轨上主动耦合1 MHz、100 mV峰峰值正弦波。相应的1 MHz数字化杂散出现在ADC的FFT本底噪声上方,其幅度取决于1 MHz时的PSRR。在这种情况下,在FFT中,在−61.8 dBFS处,转换器本底噪声上方出现1 MHz数字化杂散,对应于基准电压为892 μV p-p,模拟输入满量程范围为1.1 V。
使用公式1计算1 MHz时的交流PSRR得到41 dB的交流PSRR。

其中:
数字化杂散是在ADC FFT中观察到的杂散,对应于电源引脚上注入的纹波。在这种情况下,杂散为892 μV p–p。
注入纹波是在输入电源引脚上耦合和测量的正弦波。这里的纹波幅度为100 mV p–p。
LTM8065 μModule 稳压器,在 1.3 V 电源轨上附加 LC 滤波器为 AD9625 ADC 供电
图6显示,与2.5 V AVDD供电轨相比,1.3 V AVDD电源轨更容易受到电源噪声的影响,特别是在LTM8065的开关频率范围(200 kHz至3 MHz)范围内。图7显示了另一种LTM8065解决方案,但为组合的1.3 V电源轨增加了一个低通LC(电感-电容)滤波器。

图6.AD9625模拟电源输入的电源抑制比。

图7.在1.3 V电源轨上增加一个LC滤波器,以进一步降低噪声。
低通LC滤波器的元件推荐取决于需要多少滤波。对于1.3 V电源轨,至少需要20 dB滤波,以将开关杂散降低到数据转换器的本底噪声。采用1.2 μH和4.7 μF的组合,截止频率约为67 kHz(比LTM8065 1.3 V电源轨的开关频率低~1倍频程)。建议使用具有小直流电阻(DCR)的电感器,以防止电感两端的压降和功耗过大。
至于电容器,可以使用多层陶瓷电容器(MLCC)。MLCC具有低有效串联电阻(ESR),可在电容器的自谐振处提供良好的衰减。电容器的最小阻抗由其ESR决定。MLCC还具有低有效串联电感(ESL),可在高频下提供出色的去耦性能。
铁氧体磁珠用于滤除ADC电源轨上开关稳压器产生的高频噪声。它们还为每个组合电源轨提供高频噪声隔离。推荐通过磁珠的电流应为铁氧体磁珠直流额定电流的30%左右或更低,以防止磁芯饱和,这会降低磁珠的有效阻抗和EMI滤波能力。具有低直流电阻的铁氧体磁珠可最大限度地降低磁珠上的压降和功耗,尤其是在AVDD 1.3 V等高电流轨下。
评价结果
本文所示的三种电源配置是通过从具有262k个数据点的快速傅里叶变换(FFT)结果中采集AD9625的信噪比(SNR)和无杂散动态范围(SFDR)来比较的。第一种配置是传统的基准电源,如图1所示。第二种配置是未滤波的LTM8065,如图2所示。第三种配置是LTM8065,在1.3 V电源轨上带有LC滤波器,如图7所示。两种基于 LTM8065 的解决方案均在启用扩频调制的情况下运行。
表1显示了AD9625在三种电源配置下供电时的动态性能。使用了两种不同的ADC模拟输入载波频率(729 MHz和1349 MHz)。当由两个基于 LTM8065 的电源供电时,ADC 的 SNR 和 SFDR 结果与基准电源的结果相当。数据显示,LTM8065可以直接为AD9625供电,而无需使用额外的LDO稳压器,大大简化了整体解决方案。
| 输入频率(兆赫) | 信噪比 (DB) | SFDR (DBC) | ||||
| 基线供应 | LTM8065 未滤波 | 具有 LC 滤波器的 LTM8065 | 基线供应 | LTM8065 未滤波 | 具有 LC 滤波器的 LTM8065 | |
| 729 | 57.01 | 57.03 | 57.01 | 79.87 | 79.72 | 80.11 |
| 1349 | 56.53 | 56.49 | 56.54 | 78.41 | 80.06 | 80.77 |
仔细检查1349 MHz附近的频段,可以发现与LTM8065(对于1.3 V电源轨)的690 kHz开关频率(扩频启用)相关的边带杂散,但调制幅度远小于典型的SFDR规格,如图8a所示。不过,最好如图8b所示消除这些边带杂散,因此建议在LTM8065解决方案中添加LC滤波器。

图8.通过比较使用两种不同电源系统的AD9625 FFT结果,可以看出LC滤波器对1349 MHz载波频率附近调制杂散的影响:基于μModule稳压器的电源系统不带LC滤波器(a)和基于μModule稳压器的电源系统(b)。
LC滤波器部分前后探测的频谱输出如图9所示,表明噪声滤波提高了25 dB。

图9.1.3 V电源轨时的LTM8065频谱成分(SSFM已启用)。
扩频频率调制(SSFM)通过在覆盖编程值的范围内连续改变开关频率,使其比该值高约20%,从而降低转换器基波工作频率处纹波的峰值幅度。SSFM在需要较低峰值EMI/纹波幅度的系统中最有用。SSFM的优势如图10所示,其中显示了LTM8065在SSFM启用和禁用时1.3 V输出的频谱内容。就基频处的纹波峰值幅度而言,降低约10 dB至12 dB,同时谐波峰值明显降低。

图 10.1.3 V电源轨上的LTM8065频谱内容,SSFM打开和关闭。
使用LTM8065(扩频关闭)直接为1.3 V电源轨供电会产生高达二次谐波失真的调制峰值,如图11所示。

图 11.LTM8065 1.3 V电源轨禁用SSFM的1349 MHz模拟输入载波的详细信息。
测量的系统效率
基准电源与采用LC滤波器的LTM8065系统之间的效率比较如图12所示。LTM8065 电源解决方案将效率提高了 30%。

图 12.基准电源设计与基于 LTM8065 的系统版本 2 之间的效率比较。
印刷电路板尺寸比较
为了说明μModule稳压器解决方案的尺寸优势,在PCB上实现了基于LTM8065的LC滤波器解决方案。然后将所得功率部分的面积与现成的EVAL-AD9625评估板的功率部分进行比较(使用基准电源设计)。
图13比较了标准EVAL-AD9625评估板(基准电源)和修订后的AD9625评估板(带LC滤波器的LTM8065μModule稳压器)。使用 LTM8065 的电源解决方案组件几乎完全位于 PCB 的顶部,而现有 EVAL-AD9625 评估板上的分立解决方案要求顶部 (LDO 稳压器) 和底部 (开关稳压器) 两侧均采用电源组件。基于 LTM8065 的解决方案将电源占板面积减小了 70% 以上。

图 13.当使用μModule静音开关稳压器代替传统的控制器/稳压器时,电源所需的面积大大减少。(a) 采用LTM8065的AD9625修订版演示板与(b)现成的AD9625评估板进行比较。突出显示了两个系统的电源部分。
表 2 比较了基于 LTM8065 的系统和基准电源系统的总体组件数量和组件占板面积。LTM8065 解决方案在大约一半的占板面积内使用不到一半的组件。
| 具有 LC 滤波器的 LTM8065 | 基准电源 | |||
| 组件(个) | 组件面积(毫米)2) | 组件(个) | 组件面积(毫米)2) | |
| 开关稳压器(IC/模块) | 2 | 78 | 2 | 32 |
| 线性器件集成电路 | 1 | 4 | 5 | 82 |
| 被动 | 21 | 58 | 58 | 159 |
| 整体 | 24 | 140 | 65 | 273 |
结论
LTM8065 μModule 静音开关稳压器可为 AD9625 GSPS ADC 供电,与传统分立式解决方案相比,具有显著改进,而不会影响 ADC 的动态性能。通过使用LTM8065直接为AD9625的1.3 V和2.5 V电源轨供电,可显著减少元件数量和电源板空间。
不过,一些过滤会有所帮助。在非常高的模拟输入频率下,可以观察到模拟输入载波频率和稳压器输出纹波频率之间的调制效应。由于这种调制效应,边带杂散的出现出现在模拟输入载波周围,并且在较高的模拟输入频率下更为明显。
1.3 V电源轨上的噪声是调制效应的罪魁祸首,因为LTM8065稳压器的开关频率附近电源抑制较低。虽然调制杂散的幅度不超过无杂散动态范围规格,但最好使用简单的LC低通滤波器来降低杂散,以衰减输出纹波。这样做会产生一个更干净的数字化模拟输入载波,没有调制边带。
μModule稳压器电源解决方案的系统效率为78%,比现有的AD9625演示板提高了约30%。除了更高的效率 (以及由此带来的简化的热管理)之外,由于完全独立的 LTM8065 电源的紧凑特性,PCB板面积和组件数量显著减少。
审核编辑:郭婷
全部0条评论
快来发表一下你的评论吧 !